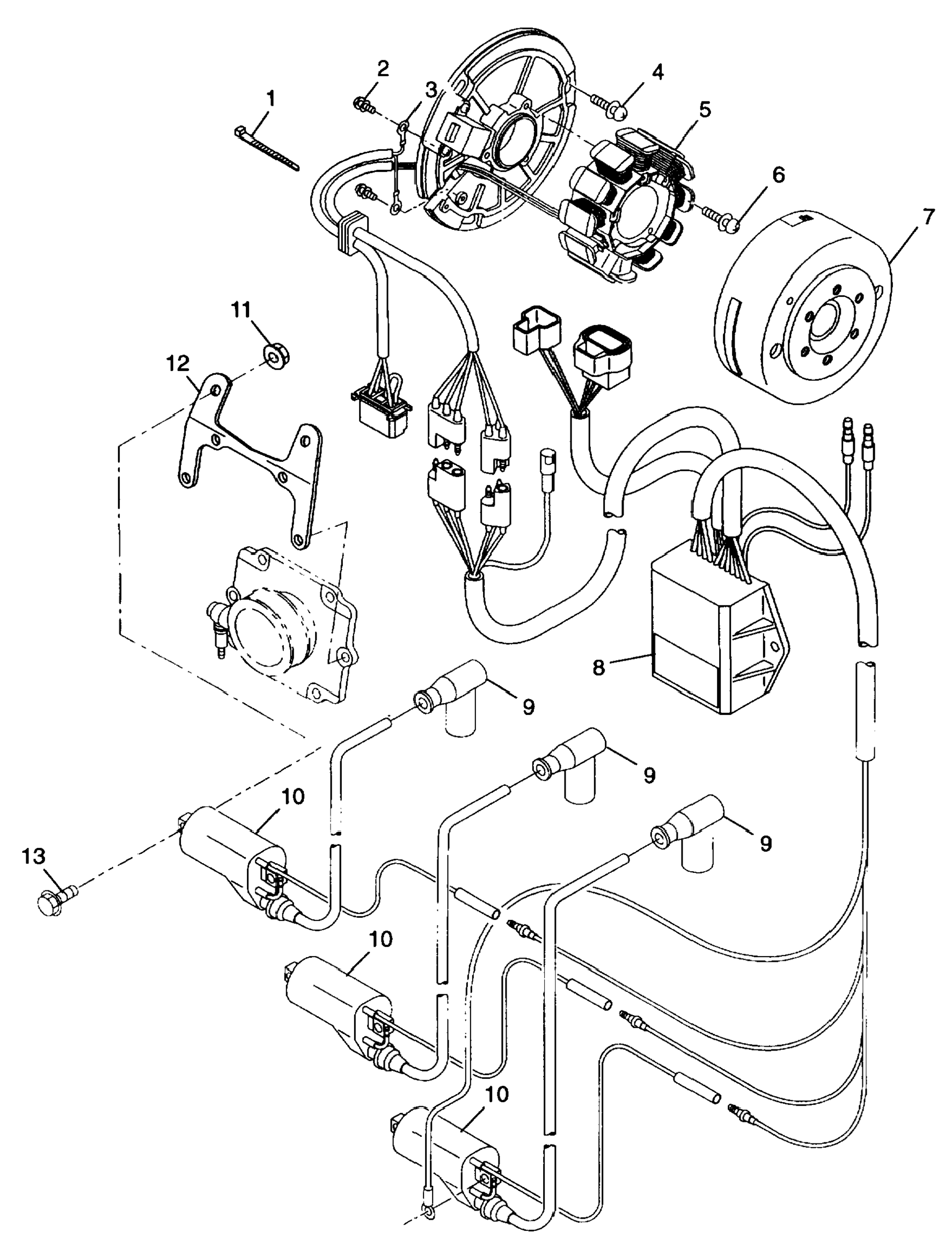
Генератор для Polaris 800 XCR (099AB8AS) 1999 г.

(Magneto)
Доставка из США до Москвы 90 руб. за 100 грамм
Доставка
  • Доставка из США, ОАЭ или из Германии в Москву
  • Доставка со складов в Москве
Скидка 5% от суммы заказа более 30 000 руб.
Оплата
  • Наличный способ оплаты
  • Банковской картой Visa, Mastercard
Номер запчасти,
наличие, срок поставки
Наименование Кол-во Цена
1 3084512 Band, wire 4 Узнать цены
2 3081256 / 45-55 дней Screw&washer asm(10) 3 347 р.
3 3084976 / 45-55 дней Screw&washer asm. 2 504 р.
4 3083866 Bolt&washer asm. 3 Узнать цены
4 9999999 Bolt&washer asm. 1 Узнать цены
5 3086147 Stator,plate,asm. (incl. 1-3,5,6) 1 Узнать цены
5 ------- / 45-55 дней Stator 1 3 945 р.
6 3085604 / 45-55 дней Screw&washer asm.(10) 3 149 р.
7 9999999 Flywheel asm 1 Узнать цены
8 9999999 Cdi,system 1 Узнать цены
9 4020129 / 45-55 дней Cap spark plug,(10) 3 1 061 р.
10 3085293 Coil, ignition 3 Узнать цены
11 3083856 / 45-55 дней Nut, flange(10) 6 259 р.
12 3085797 / 45-55 дней Plate,ignition coil 3 1 892 р.
13 9999999 Bolt, flange 1 Узнать цены
Список узлов