Трансмиссия для Sea-Doo GTX DI, 6118/6119 2003 г.

(Drive System)
Доставка из США до Москвы 90 руб. за 100 грамм
Доставка
  • Доставка из США, ОАЭ или из Германии в Москву
  • Доставка со складов в Москве
Скидка 5% от суммы заказа более 30 000 руб.
Оплата
  • Наличный способ оплаты
  • Банковской картой Visa, Mastercard
Номер запчасти,
наличие, срок поставки
Наименование Кол-во Цена
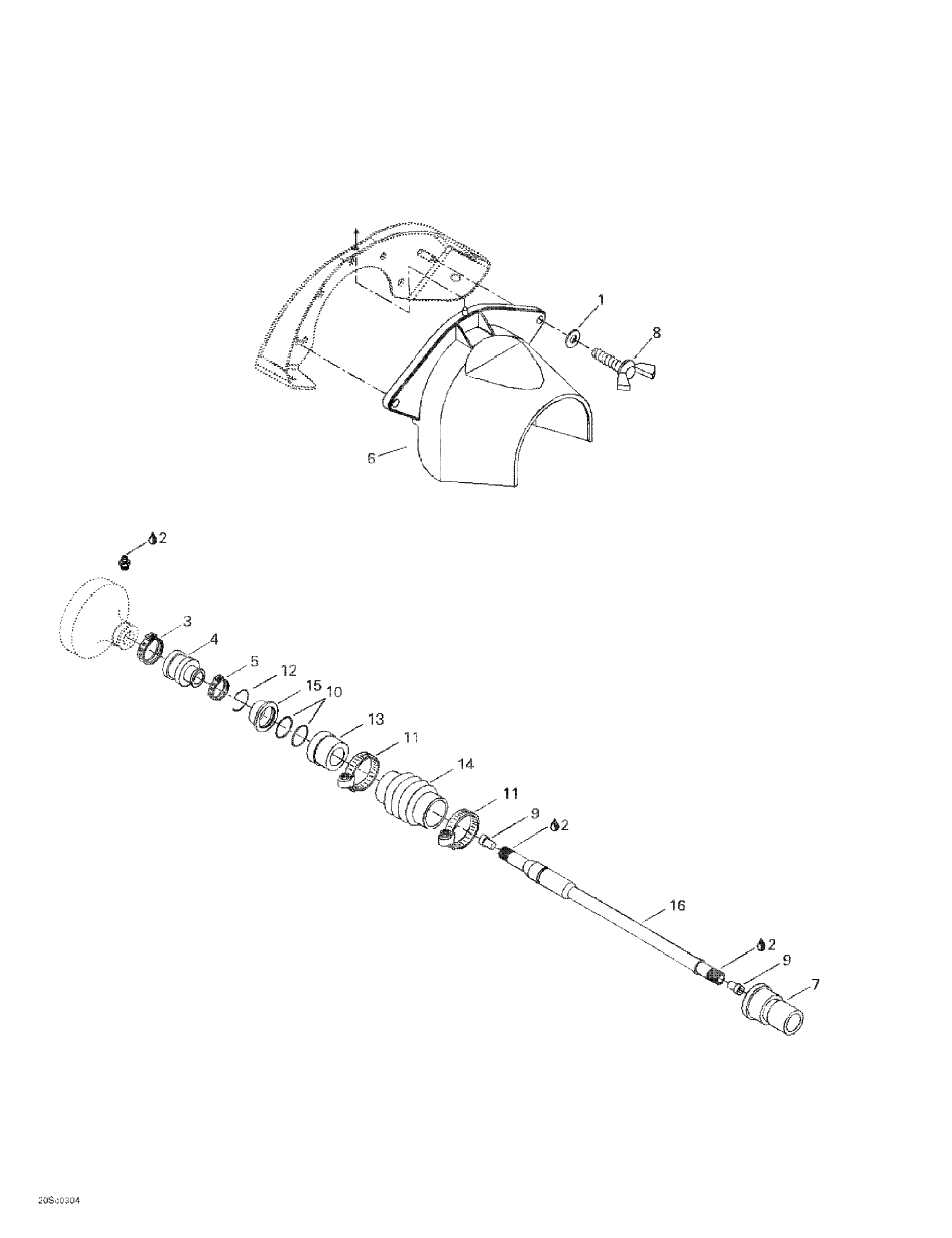
1 234082600 / 45-55 дней Flat washer 8 mm 2 237 р.
2 293550010 / 45-55 дней Synthetic grease, 400 g 1 2 547 р.
3 293650021 / 45-55 дней Oetiker clamp 1 2 866 р.
4 272000001 / 45-55 дней Rubber boot 1 4 801 р.
5 293650067 / 45-55 дней Oetiker clamp 1 2 777 р.
6 272000094 / 45-55 дней Flywheel guard 1 5 064 р.
7 292000075 Hull insert 1 Узнать цены
8 207982510 Wing screw m8 x 25 1 Узнать цены
9 272000019 / 45-55 дней Plug (bumper) 2 2 681 р.
10 293300032 / 45-55 дней O-ring 2 601 р.
11 293650075 / 45-55 дней Norma clamp 2 995 р.
12 272000135 / 45-55 дней "c" clip 1 2 924 р.
13 272000770 / 45-55 дней Ring carbone 1 4 659 р.
14 272000184 Bellows 1 Узнать цены
15 272000064 / 45-55 дней Seal carrier ring 1 6 596 р.
16 272000160 Drive shaft 1 Узнать цены
Список узлов