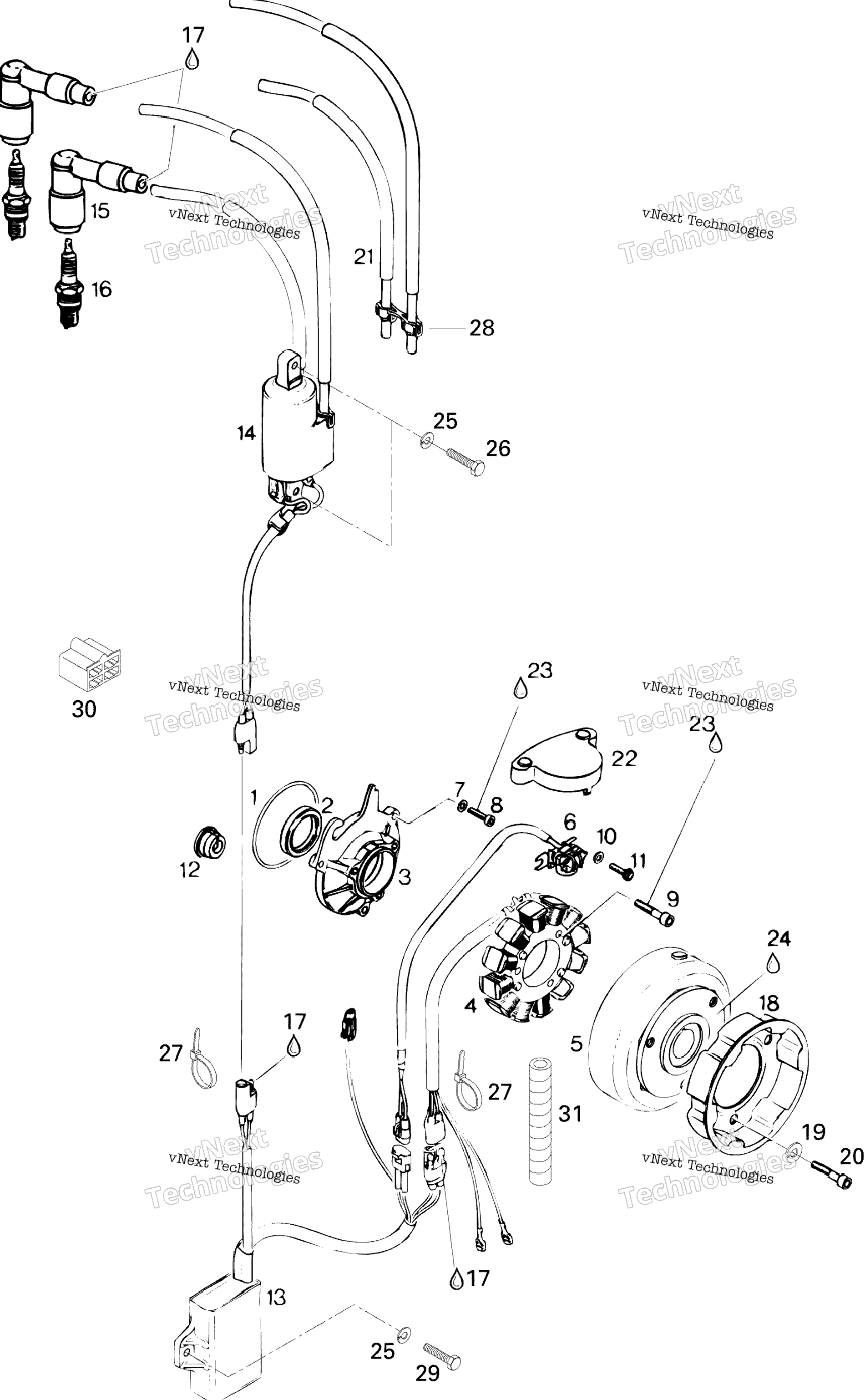
Magneto для Ski-Doo MX Z 670 1996 г.

Доставка из США до Москвы 90 руб. за 100 грамм
Доставка
  • Доставка из США, ОАЭ или из Германии в Москву
  • Доставка со складов в Москве
Скидка 5% от суммы заказа более 30 000 руб.
Оплата
  • Наличный способ оплаты
  • Банковской картой Visa, Mastercard
Номер запчасти,
наличие, срок поставки
Наименование Кол-во Цена
1 420850430 O-ring 1 Узнать цены
2 420930695 / 45-55 дней Seal-oil 1 5 505 р.
3 420810265 Armature plate 1 Узнать цены
4 410920200 Magneto ass'y 12v 220w includes 4 to 6 1 Узнать цены
Список узлов