| № | Номер запчасти, наличие, срок поставки |
Наименование | Кол-во | Цена |
| 414531200 | Seal formula 500. formula z. | 1 | Узнать цены | |
| 412105800 | Drive chain narrow (74 links) formula 583. | 1 | Узнать цены | |
| 228610012 | Castellated nut m20 formula z. | 1 | Узнать цены | |
| 504151857 / 45-55 дней | Drive chain (74 links-large) formula z. | 1 | 14 249 р. | |
| 371006300 / 45-55 дней | Cotter pin formula 500. formula z. | 1 | 2 061 р. | |
| 504085500 | Sprocket large (44 tooth) formula z. | 1 | Узнать цены | |
| 504084300 / 45-55 дней | Sprocket 25 teeth (large) formula z. | 1 | 4 572 р. | |
| 504085200 | Sprocket (25 tooth, narrow) formula 583. | 1 | Узнать цены | |
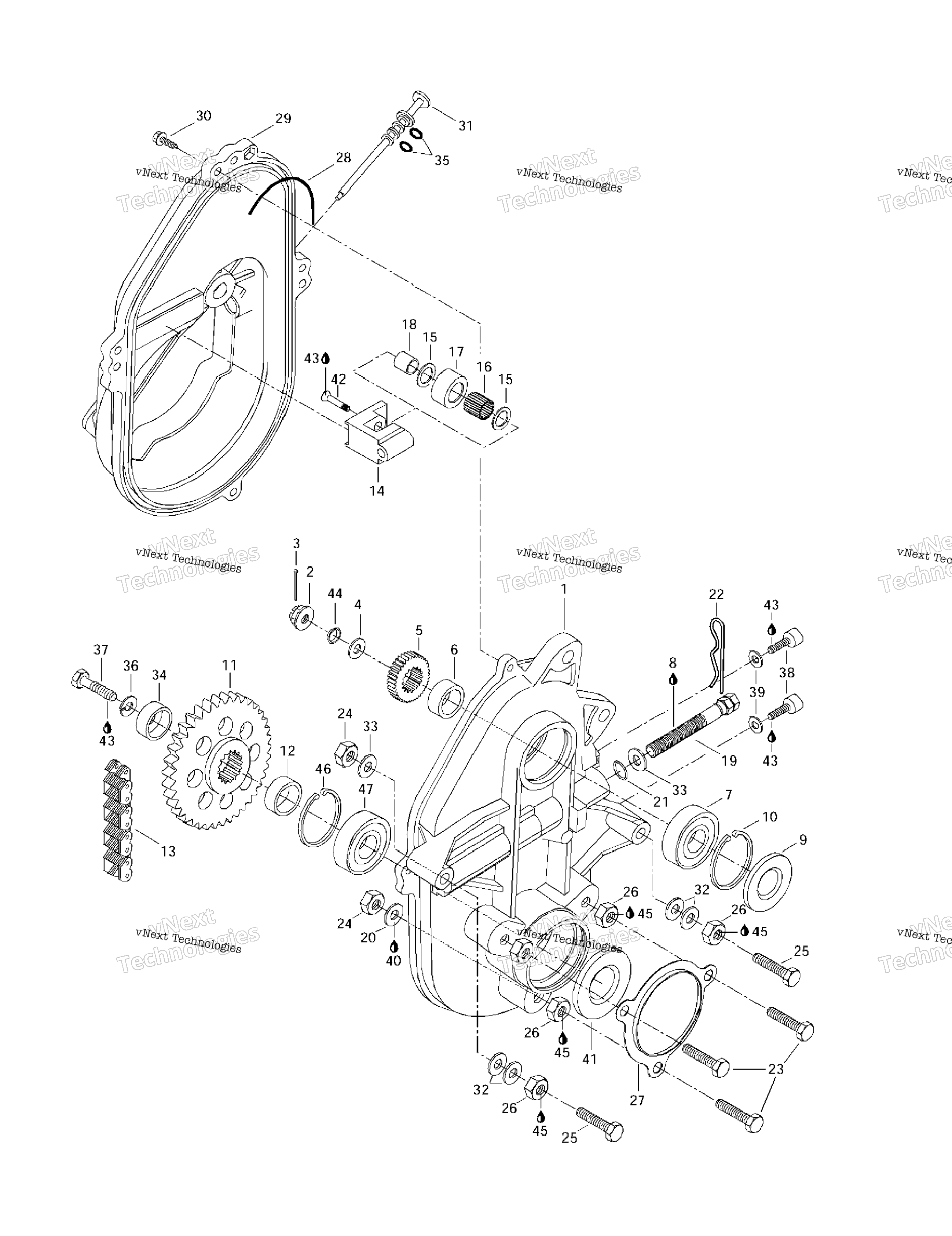
| 1 | 504144700 | Chaincase formula 500. formula z. formula 583. | 1 | Узнать цены |
| 2 | 232210414 / 45-55 дней | Castellated nut m20 formula 500. formula 583. | 1 | 2 281 р. |
| 3 | 371801300 | Cotter pin formula 500. formula 583. | 1 | Узнать цены |
| 4 | 504087100 | Washer formula 500. formula z. formula 583. | 1 | Узнать цены |
| 5 | 504078400 | Sprocket narrow (23 tooth) formula 500. | 1 | Узнать цены |
| 6 | 504093400 | Shim formula 500. formula z. formula 583. | 1 | Узнать цены |
| 7 | 293350115 / 45-55 дней | Ball bearing <<6205>> formula 500. formula z. formula 583. | 1 | 1 158 р. |
| 8 | 413706100 | Lithium grease, 400 gr formula 500. formula z. formula 583. | 1 | Узнать цены |
| 9 | 414882800 / 45-55 дней | Oil seal formula 500. formula 583. | 1 | 4 007 р. |
| 10 | 371901700 | Circlip formula 500. formula z. formula 583. | 1 | Узнать цены |
| 11 | 504057300 | Sprocket narrow (44 tooth) formula 500. formula 583. | 1 | Узнать цены |
| 12 | 501021800 | Inner shim formula 500. formula z. formula 583. | 1 | Узнать цены |
| 13 | 504151883 / 45-55 дней | Drive chain, (72 links-narrow) formula 500. | 1 | 11 399 р. |
| 14 | 504081000 / 45-55 дней | Machined tensioner formula 500. formula z. formula 583. | 1 | 6 031 р. |
| 15 | 504080300 / 45-55 дней | Washer formula 500. formula z. formula 583. | 1 | 2 518 р. |
| 16 | 405403000 / 45-55 дней | Needle bearing formula 500. formula z. formula 583. | 1 | 4 536 р. |
| 17 | 414531300 | Roller formula 500. formula z. formula 583. | 1 | Узнать цены |
| 18 | 504080200 / 45-55 дней | Spacer formula 500. formula z. formula 583. | 1 | 3 745 р. |
| 19 | 732601267 | Tensioner adjustment screw (forging) formula 500. formula z. formula 583. | 1 | Узнать цены |
| 20 | 732900020 | Copper washer formula 500. formula z. formula 583. | 1 | Узнать цены |
| 21 | 414484400 / 45-55 дней | O-ring formula 500. formula z. formula 583. | 1 | 747 р. |
| 22 | 414575600 / 45-55 дней | Hair pin formula 500. formula z. formula 583. | 1 | 194 р. |
| 23 | 207104044 / 45-55 дней | Hex. screw m10 x 40 formula 500. formula z. formula 583. | 1 | 2 114 р. |
| 24 | 233601416 / 45-55 дней | Elastic stop nut m10 formula 500. formula z. formula 583. | 5 | 170 р. |
| 25 | 732601111 | Hex. screw m10 x 70 formula 500. formula z. formula 583. | 1 | Узнать цены |
| 26 | 504083800 | Spacer formula 500. formula z. formula 583. | 1 | Узнать цены |
| 27 | 501022100 | Protector formula 500. formula z. formula 583. | 1 | Узнать цены |
| 28 | 414362300 | O-ring formula 500. formula z. formula 583. | 1 | Узнать цены |
| 29 | 080037100 | Casting cover formula 500. formula z. formula 583. | 1 | Узнать цены |
| 30 | 210263050 / 45-55 дней | Hex. flanged screw m6 x 30 formula 500. formula z. formula 583. | 4 | 208 р. |
| 31 | 572092700 / 45-55 дней | Filler cap ass'y formula 500. formula z. formula 583. | 1 | 3 568 р. |
| 32 | 504073700 / 45-55 дней | Washer formula 500. formula z. formula 583. | 1 | 2 341 р. |
| 33 | 234001410 / 45-55 дней | Flat washer 10 mm formula 500. formula z. formula 583. | 3 | 153 р. |
| 34 | 501022400 | Cap formula 500. formula z. formula 583. | 1 | Узнать цены |
| 35 | 414969400 / 45-55 дней | O-ring formula 500. formula z. formula 583. | 1 | 2 742 р. |
| 36 | 234100602 / 45-55 дней | Lock washer 10 mm formula 500. formula z. formula 583. | 1 | 2 110 р. |
| 37 | 207102544 / 45-55 дней | Hex. screw m10 x 25 formula 500. formula z. formula 583. | 1 | 153 р. |
| 38 | 732601132 | Socket head screw m8 x 10 formula 500. formula z. formula 583. | 1 | Узнать цены |
| 39 | 504082900 / 45-55 дней | Washer formula 500. formula z. formula 583. | 2 | 263 р. |
| 40 | 219704462 / 45-55 дней | Was 413702700 loctite 515, 50 ml formula 500. formula z. formula 583. | 1 | 3 516 р. |
| 41 | 504151925 | Oil seal ass'y formula 500. formula z. formula 583. | 1 | Узнать цены |
| 42 | 732601144 / 45-55 дней | Screw formula 500. formula z. formula 583. | 1 | 2 145 р. |
| 43 | 293800005 / 45-55 дней | Loctite 271, 10cc formula 500. formula z. formula 583. | 1 | 2 812 р. |
| 44 | 417000900 | Spring washer formula 500. formula 583. | 1 | Узнать цены |
| 45 | 293800060 / 45-55 дней | Loctite 242, 10 cc formula 500. formula z. formula 583. | 1 | 2 812 р. |
| 46 | 414784900 | Circlip (int-rior) formula 500. formula z. formula 583. | 1 | Узнать цены |
| 47 | 405403900 | Ball bearing 6206 formula 500. formula z. formula 583. | 1 | Узнать цены |