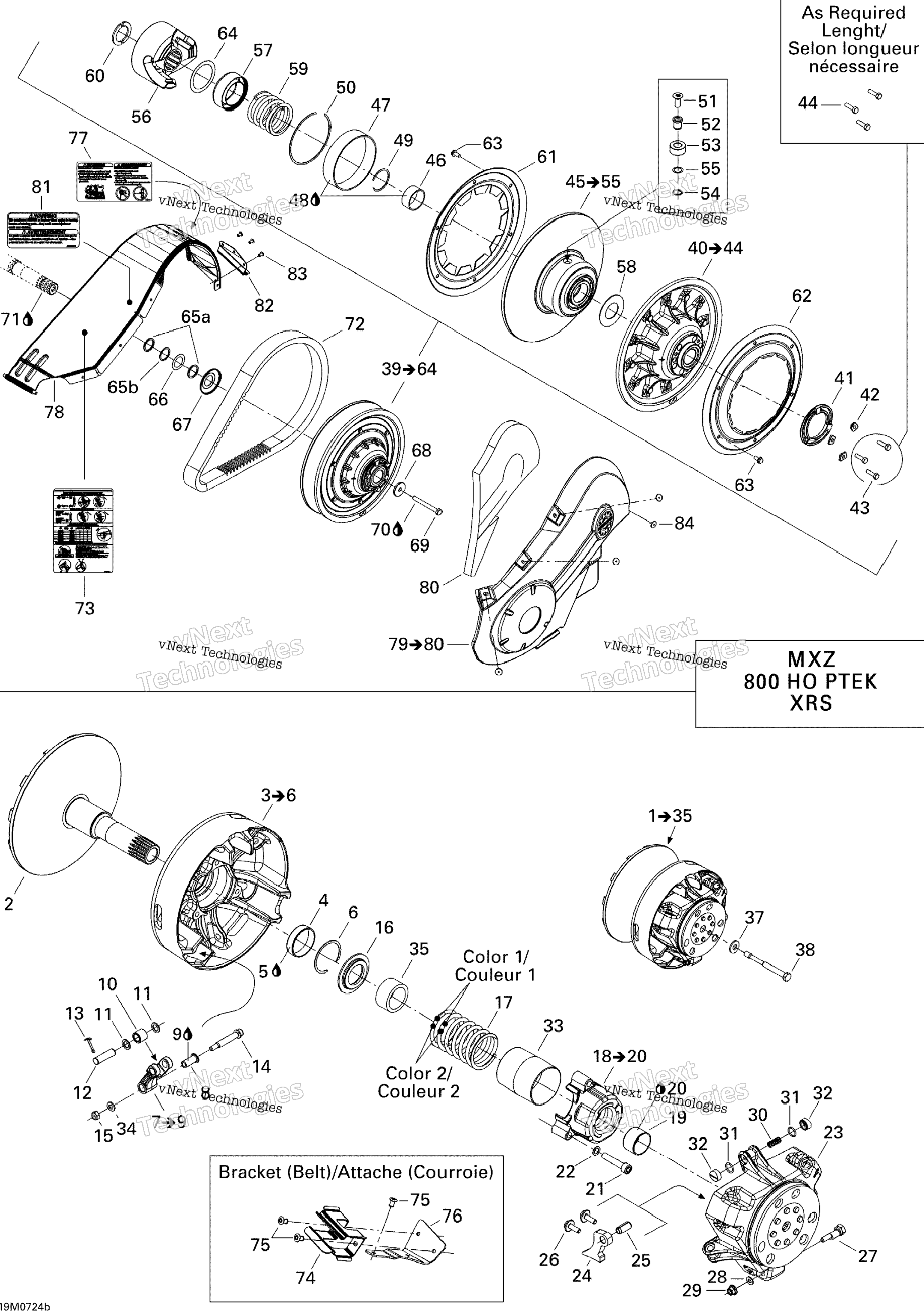
Pulley System 800 Ho для Ski-Doo MX Z XRS 800 HO PTEK 2007 г.

Доставка из США до Москвы 90 руб. за 100 грамм
Доставка
  • Доставка из США, ОАЭ или из Германии в Москву
  • Доставка со складов в Москве
Скидка 5% от суммы заказа более 30 000 руб.
Оплата
  • Наличный способ оплаты
  • Банковской картой Visa, Mastercard
Номер запчасти,
наличие, срок поставки
Наименование Кол-во Цена
1 XXXX Drive pulley ass'y includes 1 to 35 1 Узнать цены
2 417222970 / 45-55 дней Fixed flange ass'y 1 52 852 р.
3 415129293 / 45-55 дней Sliding flange ass'y includes 3 to 6 1 54 129 р.
Список узлов