GEAR SHIFTING для Suzuki JR50 2004 г.

Доставка из США до Москвы 90 руб. за 100 грамм
Доставка
  • Доставка из США, ОАЭ или из Германии в Москву
  • Доставка со складов в Москве
Скидка 5% от суммы заказа более 30 000 руб.
Оплата
  • Наличный способ оплаты
  • Банковской картой Visa, Mastercard
Номер запчасти,
наличие, срок поставки
Наименование Кол-во Цена
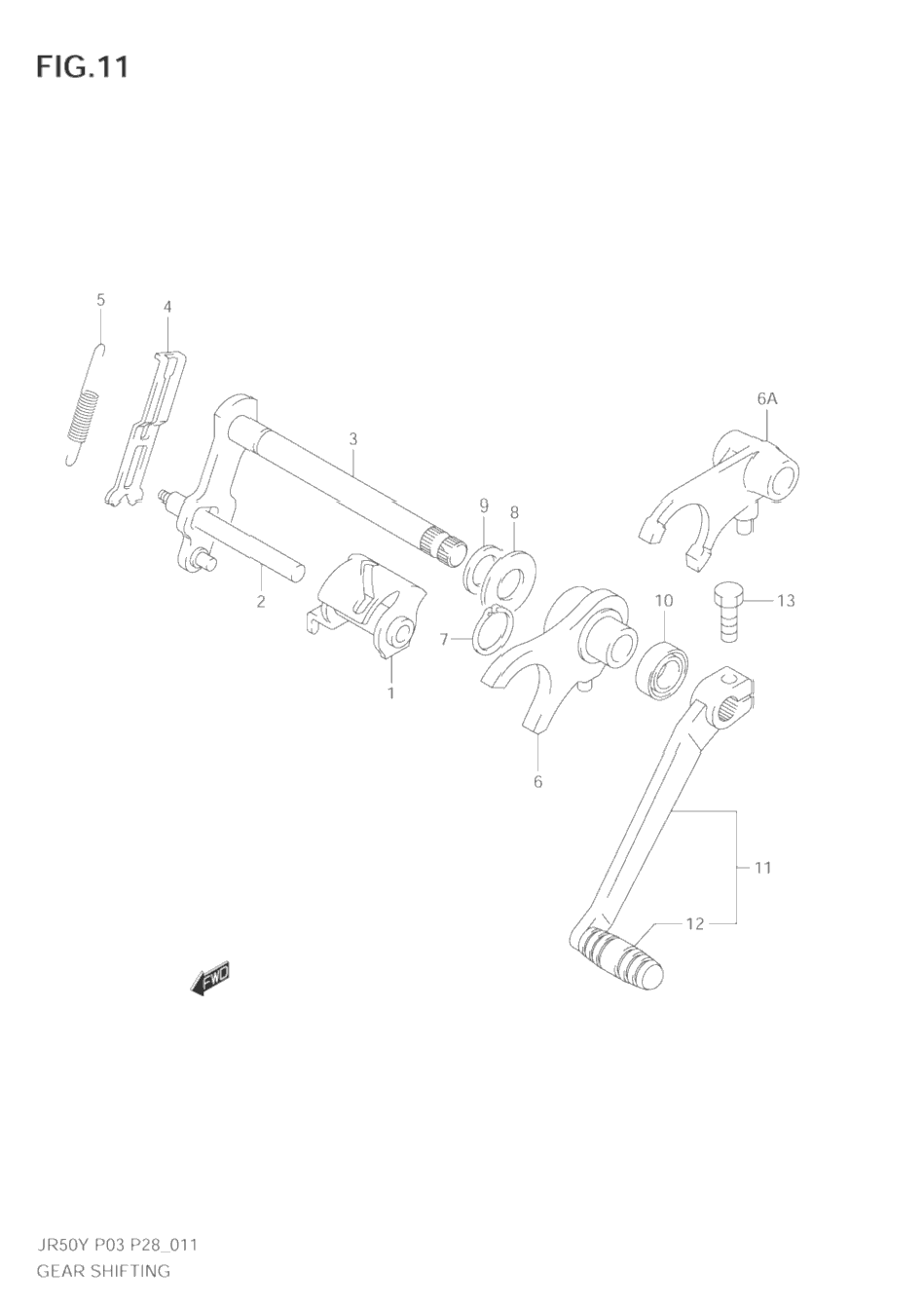
1 25310-04001 / 45-55 дней Cam, gear shifting 1 6 433 р.
2 25411-04000 / 45-55 дней Shaft, cam 1 1 259 р.
3 25510-04401 / 45-55 дней Shaft, gear shifting 1 17 929 р.
4 25352-04000 / 45-55 дней Arm, cam stopper 1 1 502 р.
5 09443-08008 / 45-55 дней Spring 1 243 р.
6A 25211-04010 / 45-55 дней Fork, gear shifting model k1/k2/k3/k4 1 6 535 р.
6 25211-04010 / 45-55 дней Fork, gear shifting model y 1 6 535 р.
7 08331-3112A / 45-55 дней Circlip 1 199 р.
8 08211-12261 / 45-55 дней Washer 1 243 р.
9 08211-12205 Washer 1 Узнать цены
10 09285-12006 / 45-55 дней Oil seal (12x22x9) 1 724 р.
11 25600-29310 / 45-55 дней Lever assy, gear shifting 1 5 135 р.
12 25652-16500 / 45-55 дней .rubber 1 445 р.
13 01500-0620A / 45-55 дней Bolt 1 199 р.
Список узлов