Стартер для Suzuki DR-Z400E 2005 г.

(STARTING MOTOR)
Доставка из США до Москвы 90 руб. за 100 грамм
Доставка
  • Доставка из США, ОАЭ или из Германии в Москву
  • Доставка со складов в Москве
Скидка 5% от суммы заказа более 30 000 руб.
Оплата
  • Наличный способ оплаты
  • Банковской картой Visa, Mastercard
Номер запчасти,
наличие, срок поставки
Наименование Кол-во Цена
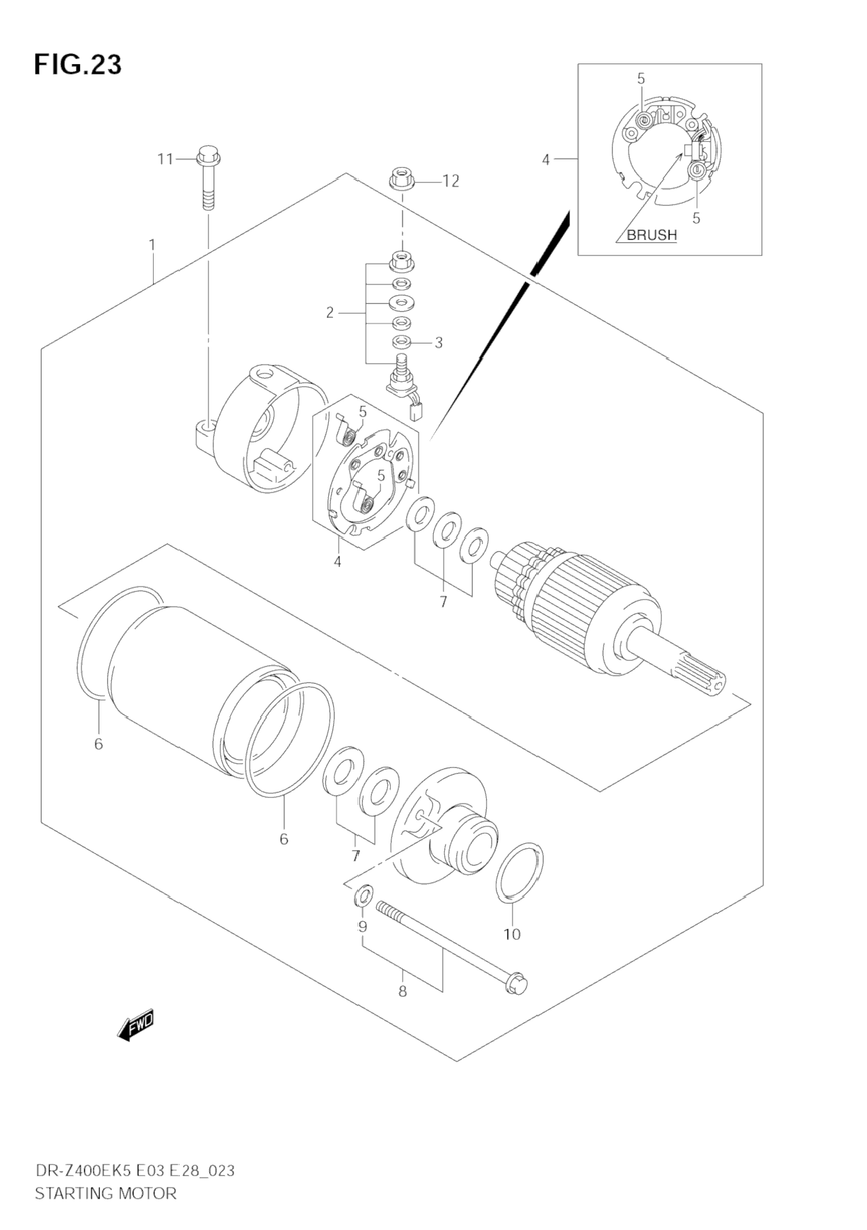
1 31100-29F00 / 45-55 дней Motor assy, starting 1 52 971 р.
2 31130-13E00 / 45-55 дней .brush terminal set 1 6 137 р.
3 31143-49040 / 45-55 дней .o ring 1 514 р.
4 31132-13E00 / 45-55 дней .brush holder set 1 7 883 р.
5 31135-31300 / 45-55 дней .brush spring 2 687 р.
6 31264-13E00 / 45-55 дней .o ring 2 927 р.
7 31170-19B10 / 45-55 дней .washer set 1 1 484 р.
8 31280-19F00 / 45-55 дней .set bolt 2 2 415 р.
9 31156-13E00 / 45-55 дней ..o ring 2 514 р.
10 09280-24003 / 45-55 дней .o ring (d:3,id:24.5) 1 212 р.
11 01547-0625B / 45-55 дней Bolt 2 335 р.
12 08361-3506A / 45-55 дней Nut, starting motor 1 246 р.
Список узлов