Масляный радиатор для Suzuki DR-Z250 2007 г.

(OIL COOLER)
Доставка из США до Москвы 90 руб. за 100 грамм
Доставка
  • Доставка из США, ОАЭ или из Германии в Москву
  • Доставка со складов в Москве
Скидка 5% от суммы заказа более 30 000 руб.
Оплата
  • Наличный способ оплаты
  • Банковской картой Visa, Mastercard
Номер запчасти,
наличие, срок поставки
Наименование Кол-во Цена
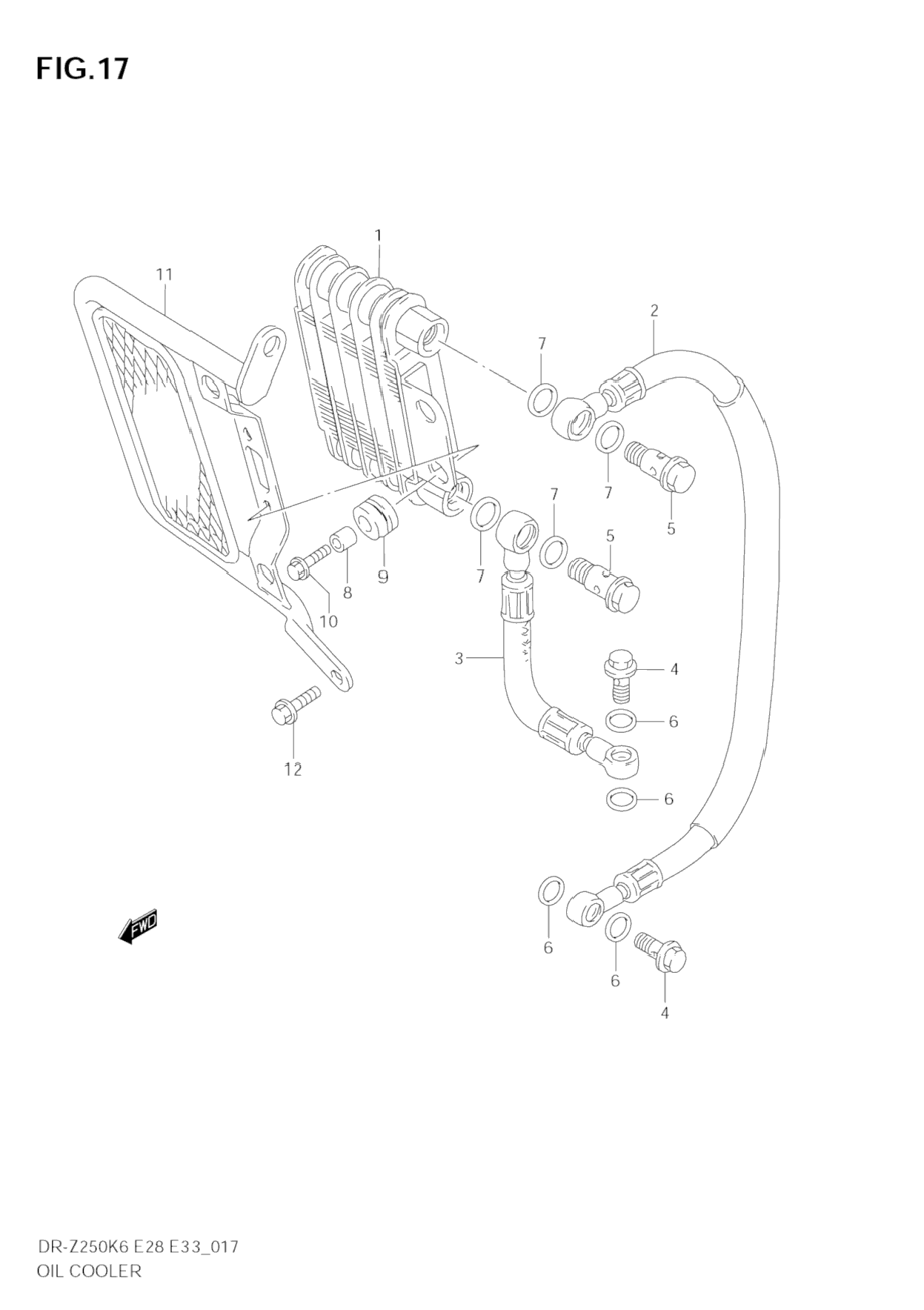
1 16600-13E00 / 45-55 дней Cooler assy, oil 1 61 835 р.
2 16460-13E00 / 45-55 дней Hose, oil cooler upper 1 15 868 р.
3 16470-13E00 Hose, oil cooler lower 1 Узнать цены
4-2 09360-10055 / 45-55 дней Union bolt model k7 2 471 р.
4-1 09360-10055 / 45-55 дней Union bolt model k6 2 471 р.
5 09360-12012-A05 / 45-55 дней Union bolt 2 1 131 р.
5 09360-12012 / 45-55 дней Union bolt 2 1 131 р.
6 09168-10007 / 45-55 дней Gasket (10.1x16x1) 4 194 р.
7 09168-14011 / 45-55 дней Gasket (14x20x1.5) 4 193 р.
8 09180-06310 / 45-55 дней Spacer (6.5x10x10) 2 215 р.
9 09320-10015 / 45-55 дней Cushion 2 274 р.
10 09116-06167 / 45-55 дней Bolt (6x20) 2 249 р.
11 16640-13E01 / 45-55 дней Guard, oil cooler 1 14 347 р.
12 01550-0820A / 45-55 дней Bolt 2 262 р.
Список узлов