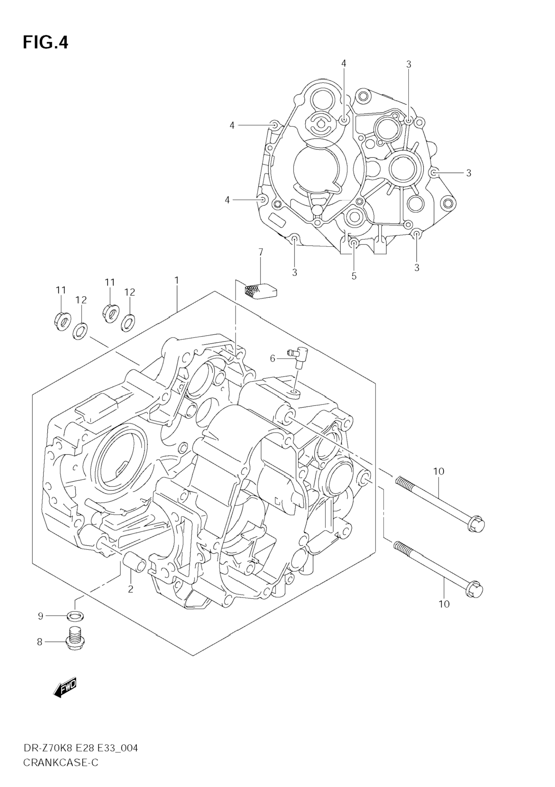
Картер для Suzuki DR-Z70 2008 г.

(CRANKCASE)
Доставка из США до Москвы 90 руб. за 100 грамм
Доставка
  • Доставка из США, ОАЭ или из Германии в Москву
  • Доставка со складов в Москве
Скидка 5% от суммы заказа более 30 000 руб.
Оплата
  • Наличный способ оплаты
  • Банковской картой Visa, Mastercard
Номер запчасти,
наличие, срок поставки
Наименование Кол-во Цена
1 11300-14810 / 45-55 дней Crankcase set 1 65 349 р.
2 04211-13189 / 45-55 дней .pin 2 249 р.
3 01547-0630A / 45-55 дней .screw 4 262 р.
4 01547-0640A / 45-55 дней .screw 3 262 р.
5 01547-0675A / 45-55 дней .screw 1 332 р.
6 16910-09401 / 45-55 дней .union, breather hose 1 2 174 р.
7 11186-30D00 Separator, oil breather 1 Узнать цены
8 09247-10008 / 45-55 дней Plug, oil drain 1 222 р.
9 09168-10002 / 45-55 дней Gasket 1 207 р.
10 09103-08070 / 45-55 дней Bolt (8x100) 2 640 р.
11 08319-3108A / 45-55 дней Nut 2 262 р.
12 08322-0108A / 45-55 дней Washer 2 207 р.
Список узлов