Рамка для Suzuki GSX650F 2009 г.

(FRAME)
Доставка из США до Москвы 90 руб. за 100 грамм
Доставка
  • Доставка из США, ОАЭ или из Германии в Москву
  • Доставка со складов в Москве
Скидка 5% от суммы заказа более 30 000 руб.
Оплата
  • Наличный способ оплаты
  • Банковской картой Visa, Mastercard
Номер запчасти,
наличие, срок поставки
Наименование Кол-во Цена
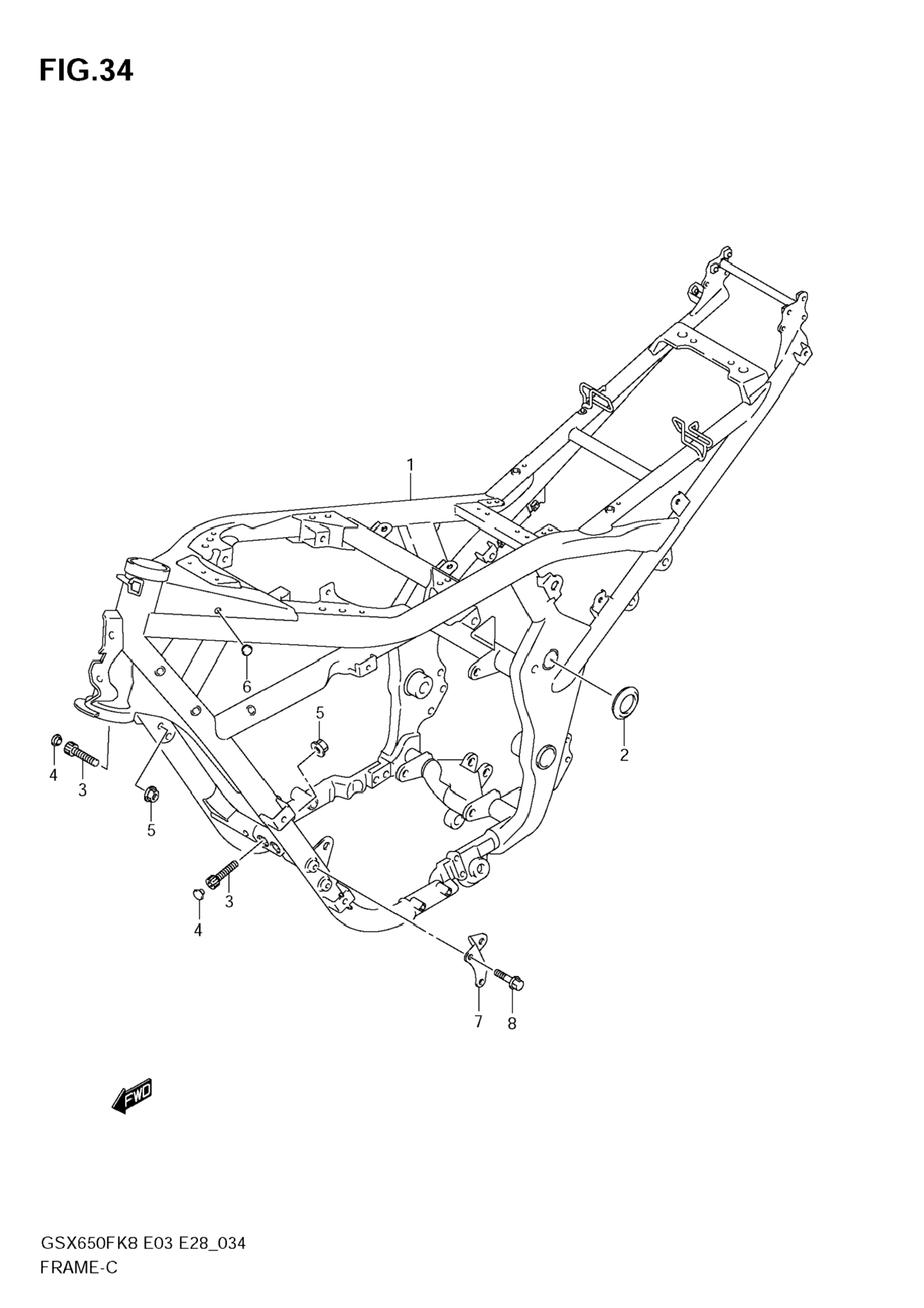
1 41100-17H10-019 Frame (black) 1 Узнать цены
2 43585-38G01 / 45-55 дней Cap, frame body 2 938 р.
3 09106-10068 / 45-55 дней Bolt (10x37) 6 342 р.
4 09250-08012 / 45-55 дней Cap, rh 4 209 р.
5 08319-3110B / 45-55 дней Nut 6 377 р.
6 09250-12014 / 45-55 дней Cap 2 382 р.
7 41942-18H00-019 Bracket, front (black) 1 Узнать цены
8 01550-0820A / 45-55 дней Bolt 4 262 р.
Список узлов