Компоненты ГРМ для Suzuki GSX-R750 2012 г.

(CAM CHAIN)
Доставка из США до Москвы 90 руб. за 100 грамм
Доставка
  • Доставка из США, ОАЭ или из Германии в Москву
  • Доставка со складов в Москве
Скидка 5% от суммы заказа более 30 000 руб.
Оплата
  • Наличный способ оплаты
  • Банковской картой Visa, Mastercard
Номер запчасти,
наличие, срок поставки
Наименование Кол-во Цена
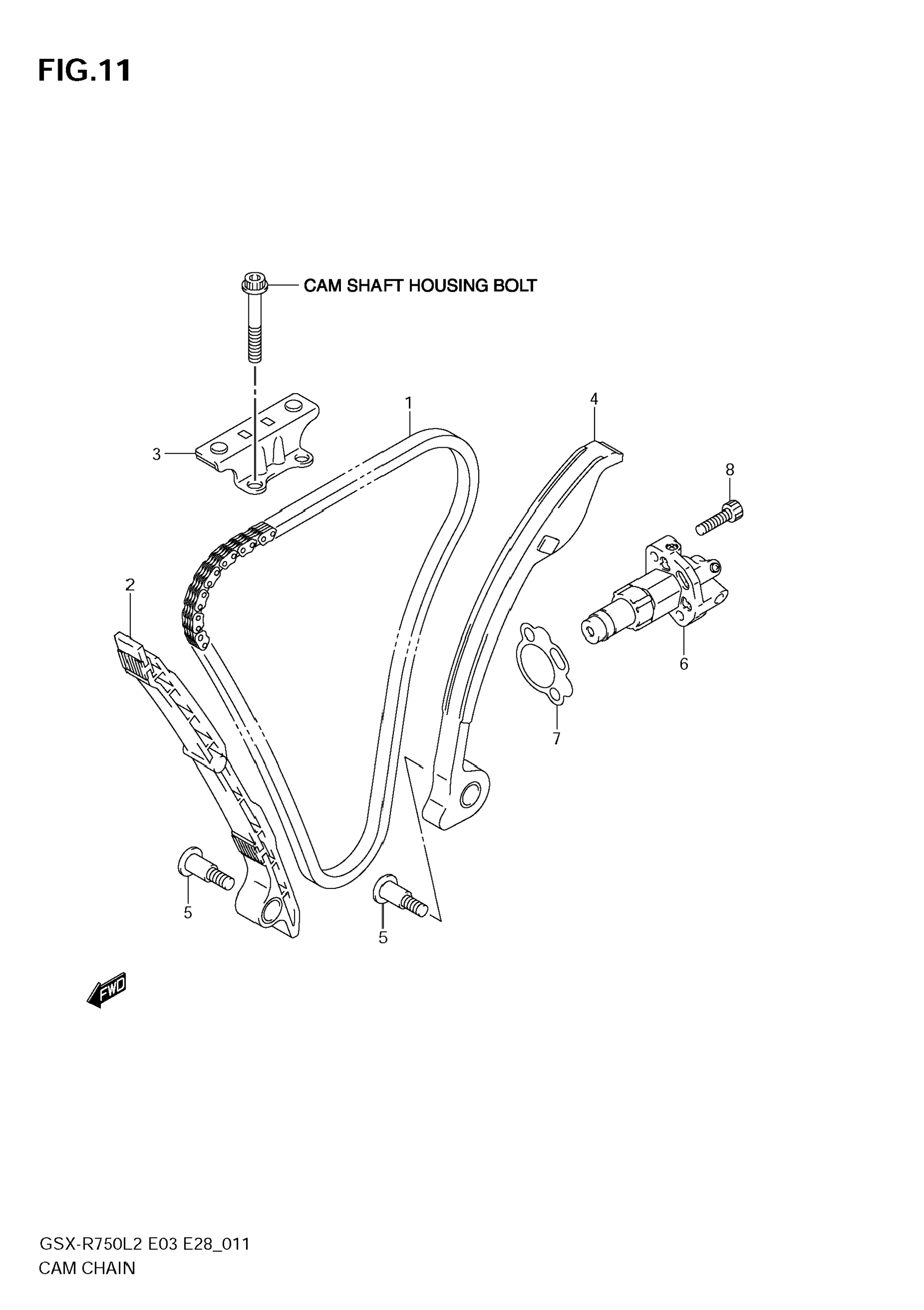
1 12760-39F00 / 45-55 дней Chain, cam shaft drive 1 19 819 р.
2 12771-37H00 / 45-55 дней Guide, cam chain no.1 1 3 588 р.
3 12782-29G00 / 45-55 дней Guide, cam chain no.2 1 4 288 р.
4 12811-02H00 / 45-55 дней Tensioner, cam chain 1 7 058 р.
5 12812-31G00 / 45-55 дней Bolt 2 635 р.
6 12830-37H00 / 45-55 дней Adjuster assy, tensioner 1 36 463 р.
7 12837-02H00 / 45-55 дней Gasket, tensioner adjuster 1 896 р.
8 07130-0625A / 45-55 дней Bolt 2 358 р.
Список узлов