THROTTLE BODY (E28) для Suzuki GSX-R750 2013 г.

Доставка из США до Москвы 90 руб. за 100 грамм
Доставка
  • Доставка из США, ОАЭ или из Германии в Москву
  • Доставка со складов в Москве
Скидка 5% от суммы заказа более 30 000 руб.
Оплата
  • Наличный способ оплаты
  • Банковской картой Visa, Mastercard
Номер запчасти,
наличие, срок поставки
Наименование Кол-во Цена
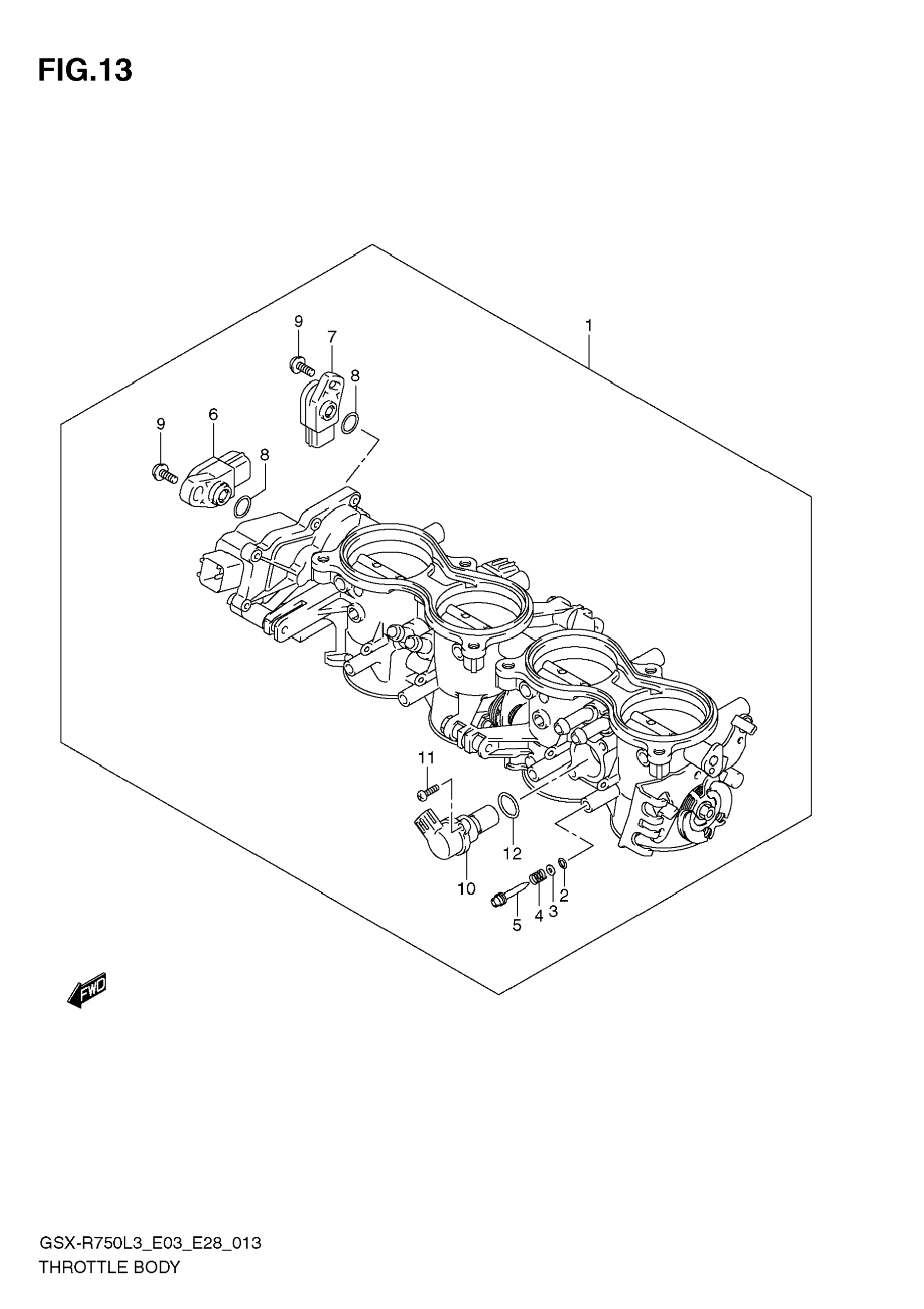
1 13406-15J20 / 45-55 дней Body assy, throttle 1 165 020 р.
2 13295-29900 / 45-55 дней .o ring 4 517 р.
3 13606-47A00 / 45-55 дней .washer 4 332 р.
4 13268-48700 / 45-55 дней .spring, throttle screw 4 517 р.
5 13269-33E00 / 45-55 дней .screw 4 1 325 р.
6 13580-14J00 / 45-55 дней .sensor assy 1 15 361 р.
7 13580-14J10 / 45-55 дней .sensor assy 1 17 308 р.
8 13575-29G00 / 45-55 дней .o ring 2 376 р.
9 13605-02F00 / 45-55 дней .screw 2 442 р.
10 18117-14J01 / 45-55 дней .motor assy 1 39 858 р.
11 13605-37H00 / 45-55 дней .screw 2 423 р.
12 13679-37H00 / 45-55 дней .o ring 1 739 р.
Список узлов