Масляный насос для Suzuki RM-Z250 2013 г.

(OIL PUMP)
Доставка из США до Москвы 90 руб. за 100 грамм
Доставка
  • Доставка из США, ОАЭ или из Германии в Москву
  • Доставка со складов в Москве
Скидка 5% от суммы заказа более 30 000 руб.
Оплата
  • Наличный способ оплаты
  • Банковской картой Visa, Mastercard
Номер запчасти,
наличие, срок поставки
Наименование Кол-во Цена
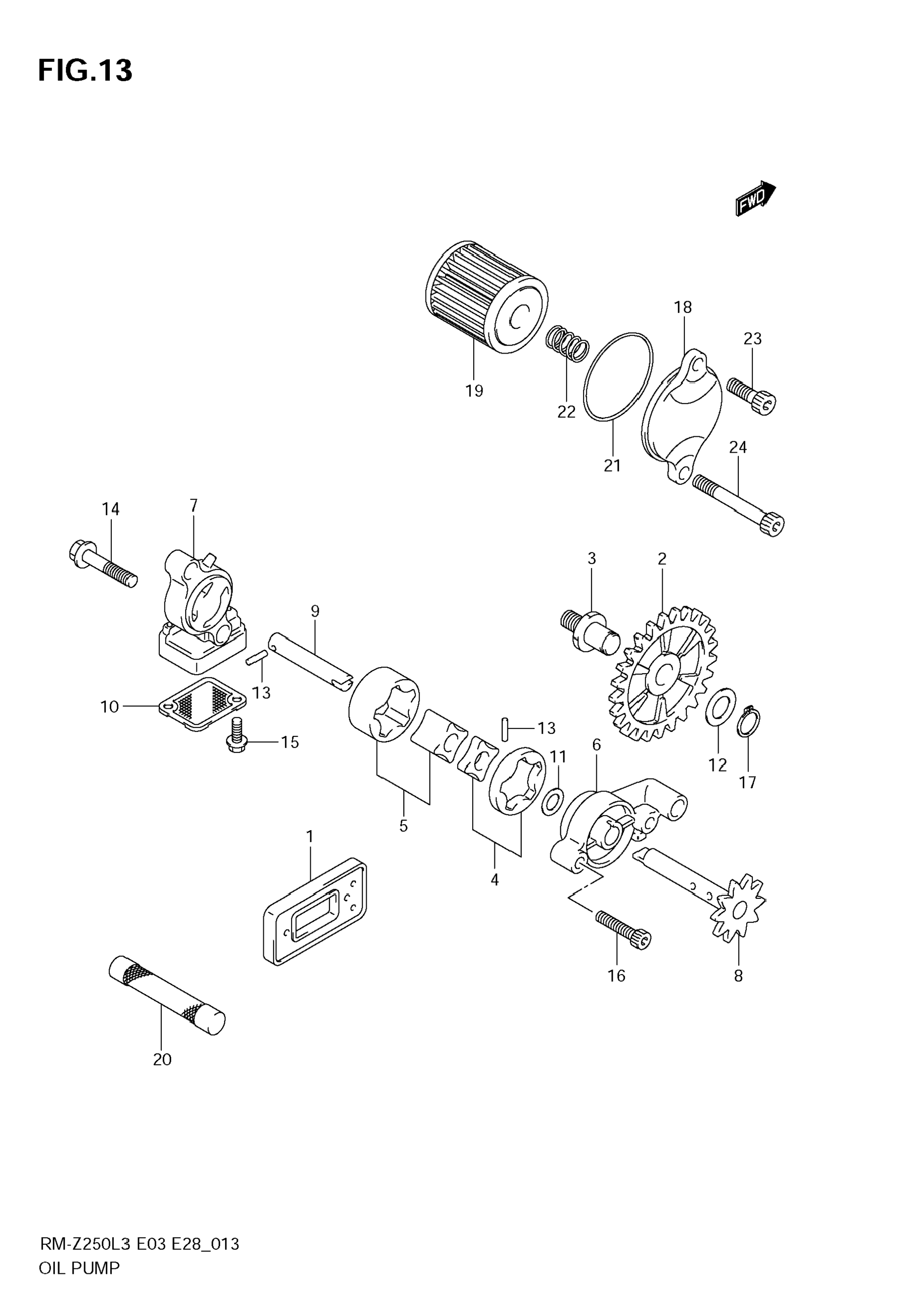
1 13150-28H10 / 45-55 дней Valve assy, oil reed 1 4 913 р.
2 16321-49H00 / 45-55 дней Gear, oil pump idle (nt:25) 1 9 312 р.
3 16322-49H00 / 45-55 дней Shaft, oil pump idle gear 1 5 553 р.
4 16410-49H00 / 45-55 дней Rotor set, oil pump no.1 1 4 824 р.
5 16410-45G00 / 45-55 дней Rotor set, oil pump no.2 1 5 675 р.
6 16430-49H01 / 45-55 дней Cover, oil pump no.1 1 6 328 р.
7 16433-49H10 / 45-55 дней Cover, oil pump no.2 1 6 277 р.
8 16440-49H00 / 45-55 дней Shaft, oil pump driven gear 1 8 000 р.
9 16443-28H00 / 45-55 дней Shaft, oil pump no.2 1 2 289 р.
10 16530-49H00 / 45-55 дней Strainer, oil pump 1 1 171 р.
11 09181-08106 / 45-55 дней Shim (8x12x0.8) 1 272 р.
12 09181-10158 / 45-55 дней Shim (10x18x0.5) 1 269 р.
13 09261-02008 / 45-55 дней Pin (2.5x11.8) 2 198 р.
14 01547-0635A / 45-55 дней Bolt 1 318 р.
15 07120-0512A / 45-55 дней Bolt 2 311 р.
16 07130-0520B / 45-55 дней Bolt 2 347 р.
17 08331-31109 / 45-55 дней Circlip 1 245 р.
18 16315-35G40 / 45-55 дней Cap, engine oil filter outer 1 2 658 р.
19 16510-35G00 / 45-55 дней Filter, engine oil 1 1 408 р.
20 16520-10H10 / 45-55 дней Strainer, engine oil 1 6 375 р.
21 09280-39001 / 45-55 дней O ring (d:2,id:38.5) 1 439 р.
22 09440-10038 / 45-55 дней Spring 1 429 р.
23 01547-0616A / 45-55 дней Bolt 1 277 р.
24 01547-0635A / 45-55 дней Bolt 1 318 р.
Список узлов