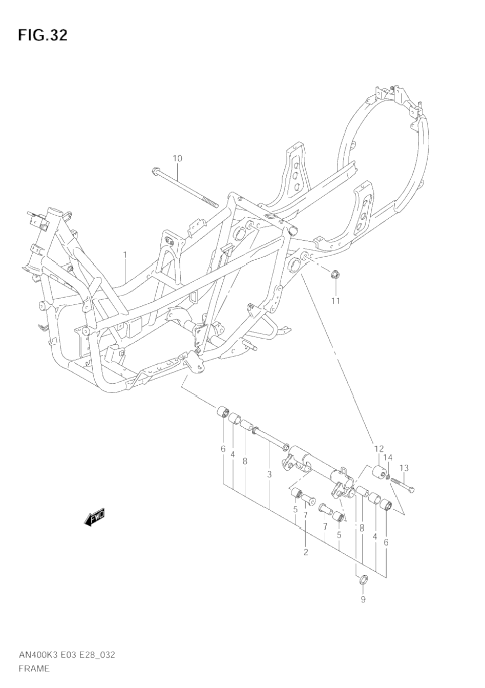
Рамка для Suzuki Burgman (AN400) 2006 г.

(FRAME)
Доставка из США до Москвы 90 руб. за 100 грамм
Доставка
  • Доставка из США, ОАЭ или из Германии в Москву
  • Доставка со складов в Москве
Скидка 5% от суммы заказа более 30 000 руб.
Оплата
  • Наличный способ оплаты
  • Банковской картой Visa, Mastercard
Номер запчасти,
наличие, срок поставки
Наименование Кол-во Цена
1-1 41100-15G00 Frame model k3 1 Узнать цены
1-2 41100-15G20 Frame model k4/k5/k6 1 Узнать цены
2-1 41180-15832 Bracket set, crankcase model k3/k4/k5 1 Узнать цены
2-2 41180-15840 Bracket set, crankcase model k6 1 Узнать цены
3 41210-14F00 .spacer, bracket 1 Узнать цены
4 09263-25063 / 45-55 дней .bearing 2 3 624 р.
5 09263-20064 / 45-55 дней .bearing 2 2 587 р.
6 09319-12054 .bush 1 Узнать цены
7 41214-14F10 .spacer, engine 2 Узнать цены
8 41213-14F00 .spacer, bracket 1 Узнать цены
9 09160-12044 / 45-55 дней Washer 2 394 р.
10 09103-12063 Bolt 1 Узнать цены
11 08319-3112A / 45-55 дней Nut 1 431 р.
12 41185-14F00 Cushion, swing stop 1 Узнать цены
13 09100-12046 Bolt 1 Узнать цены
14 08322-0112B / 45-55 дней Washer 2 254 р.
Список узлов