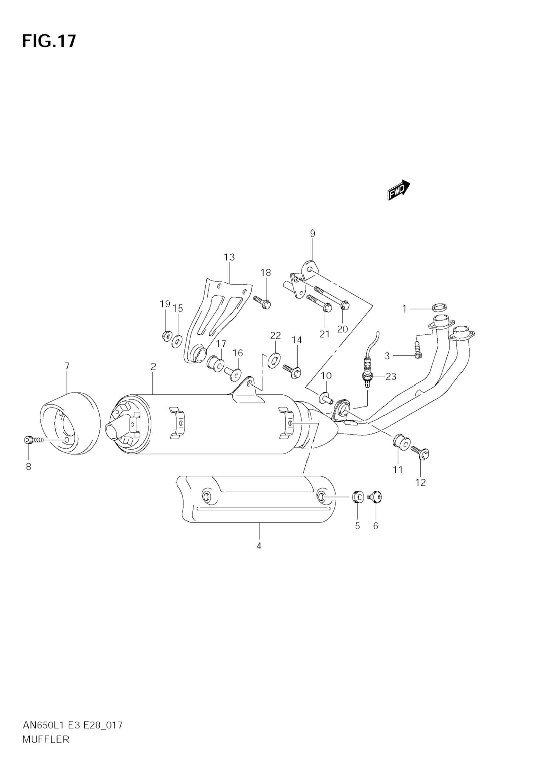
MUFFLER (AN650 L1 E3) для Suzuki Burgman (AN650) 2011 г.

Доставка из США до Москвы 90 руб. за 100 грамм
Доставка
  • Доставка из США, ОАЭ или из Германии в Москву
  • Доставка со складов в Москве
Скидка 5% от суммы заказа более 30 000 руб.
Оплата
  • Наличный способ оплаты
  • Банковской картой Visa, Mastercard
Номер запчасти,
наличие, срок поставки
Наименование Кол-во Цена
2 14305-10GG0 Muffler 1 Узнать цены
3 09106-08165 / 45-55 дней Bolt (8x25) 4 480 р.
4 14780-10G00 / 45-55 дней Cover, muffler 1 13 094 р.
5 09320-08066 / 45-55 дней Cushion 2 949 р.
6 09139-06128 / 45-55 дней Screw (6x12) 2 651 р.
7 14791-10G00 / 45-55 дней Cover, muffler rear 1 14 883 р.
8 09106-06078 / 45-55 дней Bolt (6x15) 3 329 р.
9 14410-10G00 Bracket, front 1 Узнать цены
10 09180-08156 / 45-55 дней Spacer (8.6x12x27.1) 1 771 р.
11 09320-12049 / 45-55 дней Cushion 1 1 228 р.
12 09116-08106 Bolt (8x45) 1 Узнать цены
13 14470-10G10 / 45-55 дней Bracket, rear 1 5 829 р.
14 09106-08164 / 45-55 дней Bolt (8x45) 1 625 р.
15 09160-08146 / 45-55 дней Washer (8.5x33x1.5) 1 285 р.
19 08361-2508A / 45-55 дней Nut 1 222 р.
20 09103-10063 / 45-55 дней Bolt (10x115) 1 855 р.
21 01550-0880B / 45-55 дней Bolt 1 389 р.
22 09160-08142 / 45-55 дней Washer (8.5x28x1.5) 1 301 р.
23 18213-10G11 / 45-55 дней Sensor, oxygen 1 41 014 р.
Список узлов
CVT