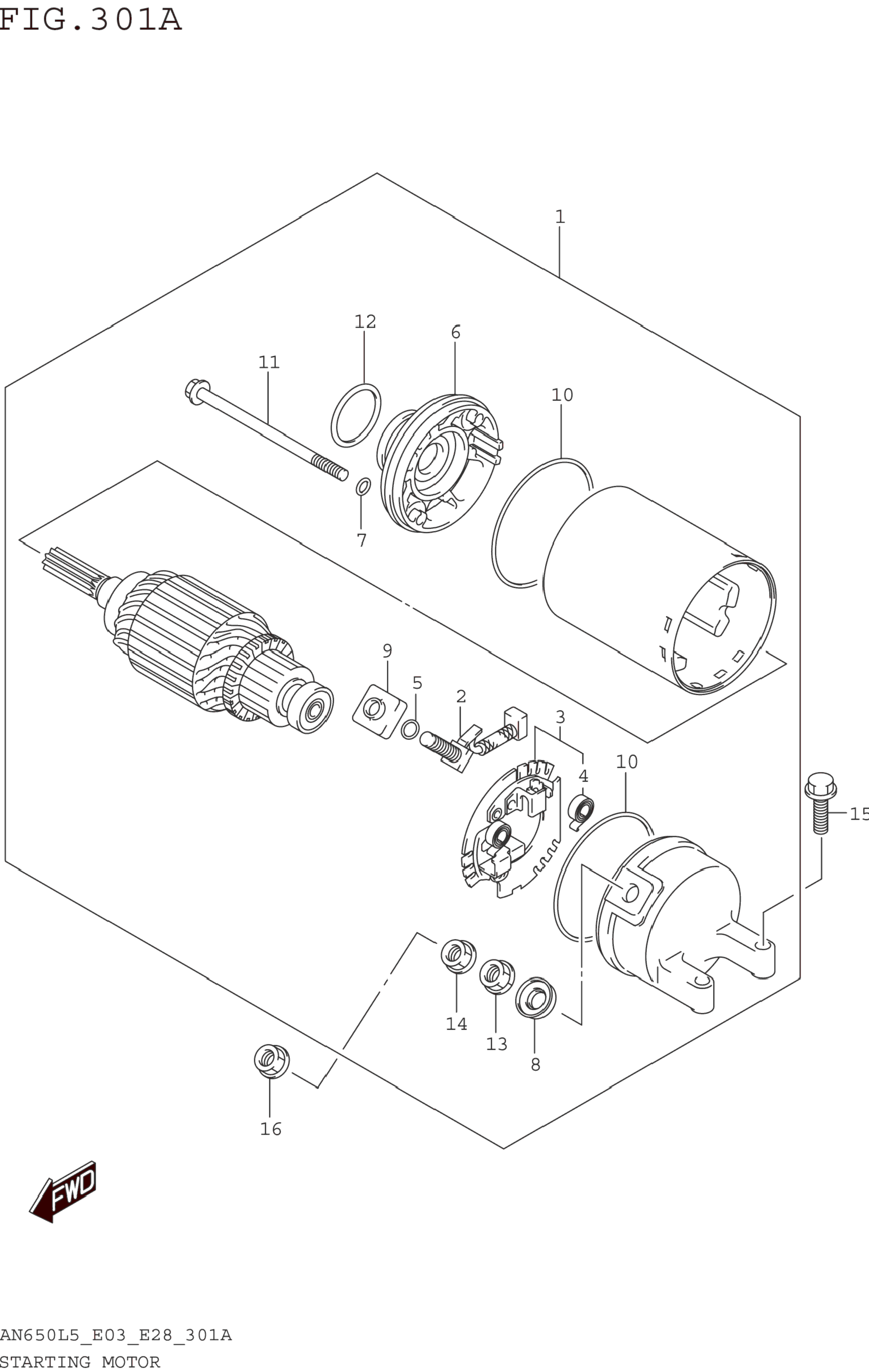
Стартер для Suzuki AN650 2015 г.

(STARTING MOTOR)
Доставка из США до Москвы 90 руб. за 100 грамм
Доставка
  • Доставка из США, ОАЭ или из Германии в Москву
  • Доставка со складов в Москве
Скидка 5% от суммы заказа более 30 000 руб.
Оплата
  • Наличный способ оплаты
  • Банковской картой Visa, Mastercard
Номер запчасти,
наличие, срок поставки
Наименование Кол-во Цена
1 31100-10G00 / 45-55 дней Motor assy, starting 1 78 163 р.
2 31130-38300 / 45-55 дней .brush (+) 1 2 177 р.
3 31132-27A01 / 45-55 дней .holding assy, brush 1 8 686 р.
4 31135-65010 / 45-55 дней ..spring 2 533 р.
5 31143-38300 / 45-55 дней .o ring 1 603 р.
6 31150-49500 .housing assy, starting 1 Узнать цены
7 31156-38300 / 45-55 дней .o ring 2 533 р.
8 31172-38300 / 45-55 дней .bushing 1 773 р.
9 31171-38300 / 45-55 дней .bushing 1 1 055 р.
10 31264-44110 / 45-55 дней .o ring 2 1 401 р.
11 31281-88C00 .bolt 1 Узнать цены
12 09280-24003 / 45-55 дней .o ring (d:3,id:24.5) 1 212 р.
13 08310-00067 / 45-55 дней .nut 1 253 р.
14 08361-3506A / 45-55 дней .nut 1 246 р.
15 09103-06212 / 45-55 дней Bolt (6x25) 2 327 р.
Список узлов
CVT