Электрические компоненты для Suzuki QuadRunner (LT-F160) 2001 г.

(ELECTRICAL)
Доставка из США до Москвы 90 руб. за 100 грамм
Доставка
  • Доставка из США, ОАЭ или из Германии в Москву
  • Доставка со складов в Москве
Скидка 5% от суммы заказа более 30 000 руб.
Оплата
  • Наличный способ оплаты
  • Банковской картой Visa, Mastercard
Номер запчасти,
наличие, срок поставки
Наименование Кол-во Цена
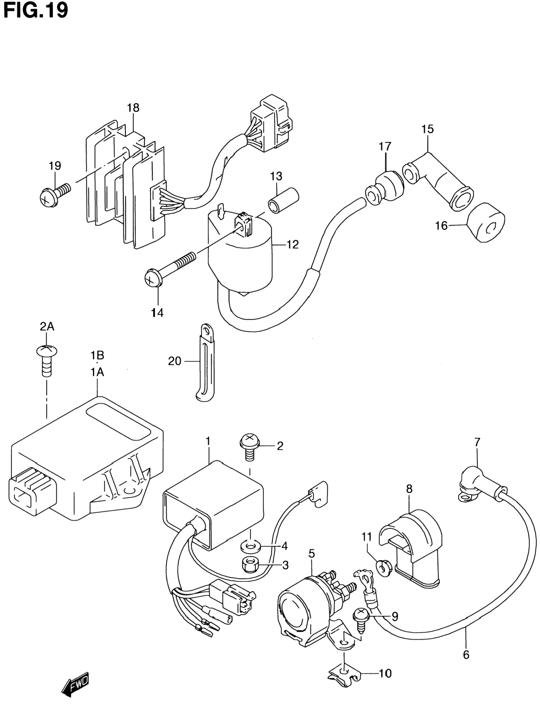
1 32900-02C00 / 45-55 дней C.d.i unit model v/w/x 1 49 789 р.
1A 32900-02C10 / 45-55 дней C.d.i unit model y 1 50 730 р.
1B 32900-02C20 / 45-55 дней C.d.i unit model k1 1 48 728 р.
2 02112-1620B / 45-55 дней Screw model v/w/x 1 296 р.
2A 02142-0616A / 45-55 дней Screw model y/k1 2 162 р.
3 09159-06015 / 45-55 дней Nut model v/w/x 1 206 р.
4 09160-06052 / 45-55 дней Washer (6.5x16x2) model v/w/x 1 162 р.
5 31800-49100 / 45-55 дней Relay, starting motor 1 11 640 р.
6 33850-44B01 / 45-55 дней Lead wire, starting motor 1 3 844 р.
7 31861-48B10 / 45-55 дней .cap, starting motor 1 664 р.
8 31861-02C00 Cap, relay terminal 1 Узнать цены
9 03241-1512B / 45-55 дней Screw 2 271 р.
10 09148-05019 / 45-55 дней Nut 2 209 р.
11 08361-3506A / 45-55 дней Nut 2 202 р.
12 33410-02C00 / 45-55 дней Coil assy, ignition 1 11 450 р.
13 09180-06271 / 45-55 дней Spacer (6.5x9x18) 2 230 р.
14 02142-0635A / 45-55 дней Screw 2 266 р.
15 33510-43010 / 45-55 дней Cap, spark plug 1 2 987 р.
16 33541-47D00 / 45-55 дней Seal, spark plug 1 935 р.
17 33542-38B00 / 45-55 дней Seal, hightension cord 1 517 р.
18 32800-19B11 / 45-55 дней Rectifier assy 1 27 234 р.
19 02112-1620B / 45-55 дней Screw 2 296 р.
20 09404-06432 / 45-55 дней Clamp (l:80) 3 196 р.
Список узлов