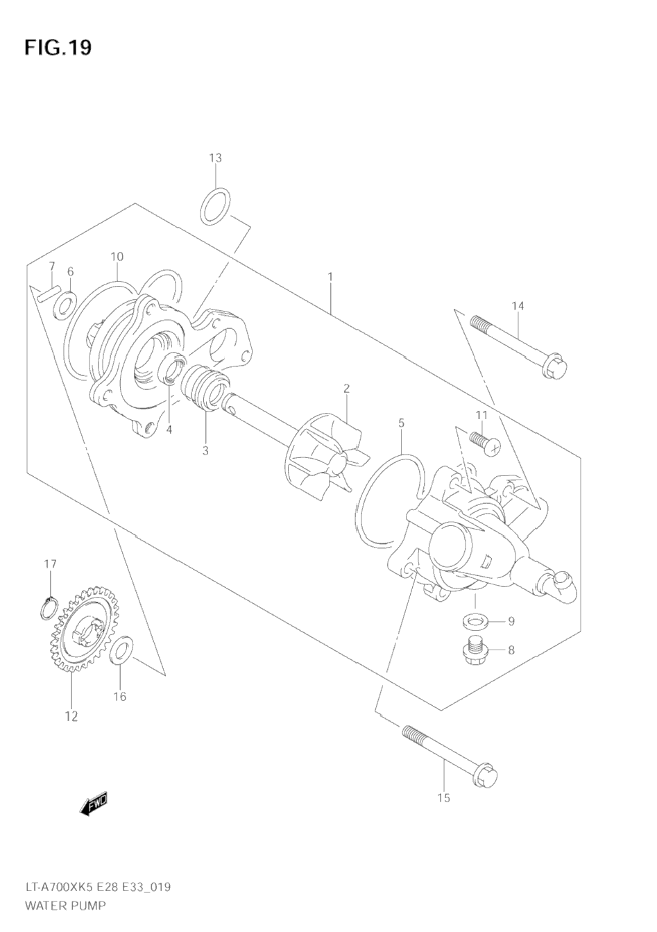
Помпа для Suzuki KingQuad (LT-A700X) 2005 г.

(WATER PUMP)
Доставка из США до Москвы 90 руб. за 100 грамм
Доставка
  • Доставка из США, ОАЭ или из Германии в Москву
  • Доставка со складов в Москве
Скидка 5% от суммы заказа более 30 000 руб.
Оплата
  • Наличный способ оплаты
  • Банковской картой Visa, Mastercard
Номер запчасти,
наличие, срок поставки
Наименование Кол-во Цена
1 17400-31G00 / 45-55 дней Pump assy, water 1 20 998 р.
2 17491-31G00 / 45-55 дней .impeller 1 6 420 р.
3 17470-02F00 / 45-55 дней .seal, mechanical 1 4 058 р.
4 17431-07G00 / 45-55 дней .oil seal 1 1 374 р.
5 17418-31G00 / 45-55 дней .o ring 1 1 419 р.
6 17432-07G00 / 45-55 дней .washer 1 342 р.
7 17482-03G00 / 45-55 дней .pin 1 311 р.
8 17415-20920 / 45-55 дней .bolt 1 1 024 р.
9 09168-08016 / 45-55 дней .washer 1 227 р.
10 17435-31G00 / 45-55 дней .o ring 1 2 837 р.
11 02112-0616A / 45-55 дней .screw 2 198 р.
12 17461-31G00 / 45-55 дней Gear, water pump driven 1 4 431 р.
13 09280-22001 / 45-55 дней O-ring (d:2.4,id:21.8) 1 198 р.
14 01547-0645B / 45-55 дней Bolt 2 374 р.
15 01547-0655B / 45-55 дней Bolt 1 376 р.
16 09181-10158 / 45-55 дней Washer, 10x18x0.5 1 269 р.
17 08331-31109 / 45-55 дней Circlip 1 245 р.
Список узлов