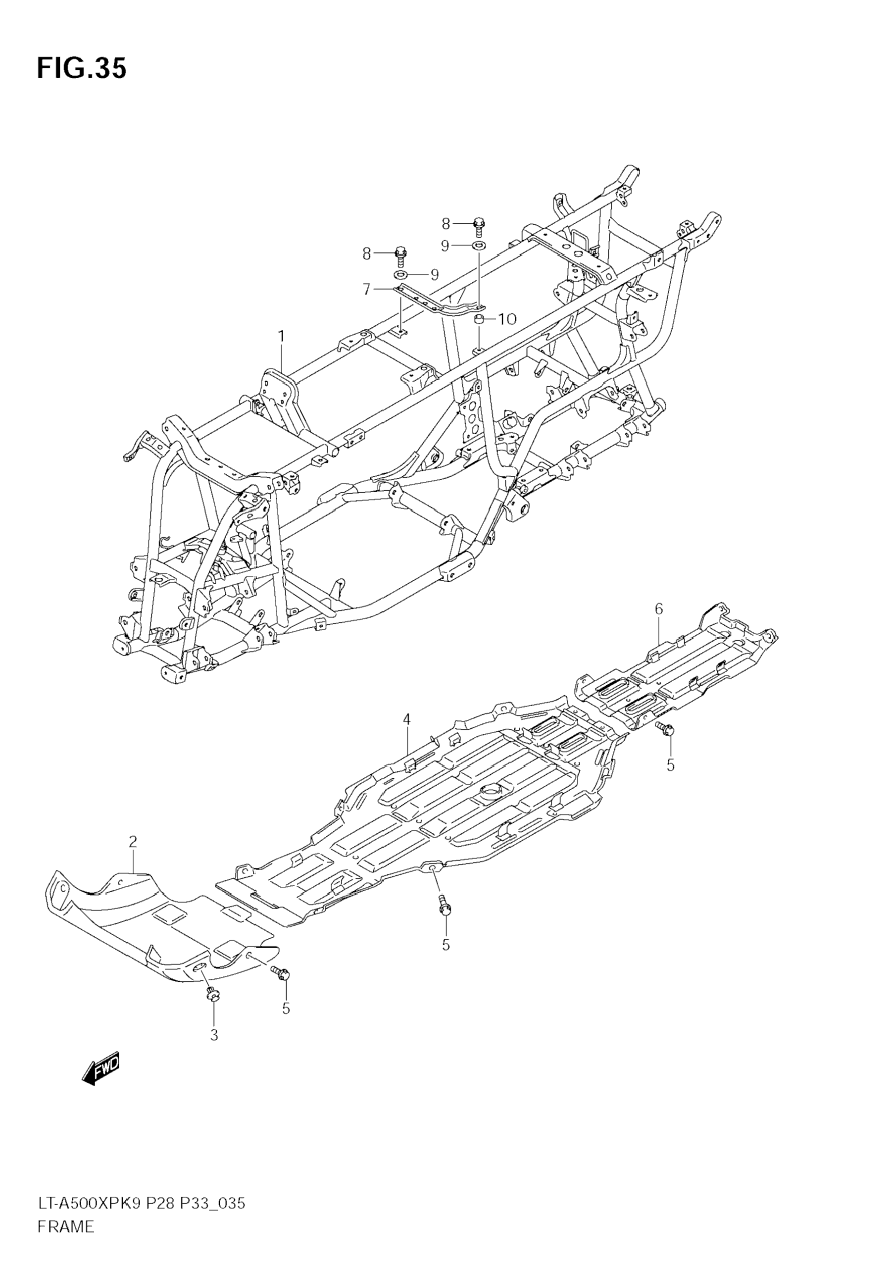
Рамка для Suzuki KingQuad (LT-A500XP) 2009 г.

(FRAME)
Доставка из США до Москвы 90 руб. за 100 грамм
Доставка
  • Доставка из США, ОАЭ или из Германии в Москву
  • Доставка со складов в Москве
Скидка 5% от суммы заказа более 30 000 руб.
Оплата
  • Наличный способ оплаты
  • Банковской картой Visa, Mastercard
Номер запчасти,
наличие, срок поставки
Наименование Кол-во Цена
1 41100-31H02-019 / 45-55 дней Frame (black) 1 218 212 р.
2 42521-31G00-291 / 45-55 дней Protector, front (black) 1 8 732 р.
3 09409-08335 / 45-55 дней Clip 2 314 р.
4 42511-31G02 / 45-55 дней Protector, engine 1 6 389 р.
5 09111-06085 / 45-55 дней Screw, protector 12 630 р.
6 42531-31G01 / 45-55 дней Protector, rear 1 4 429 р.
7 41561-31G01 / 45-55 дней Plate, battery 1 1 153 р.
7 41561-31GB0 / 45-55 дней Plate, battery 1 1 153 р.
8 09103-06283 / 45-55 дней Bolt, rh 2 377 р.
9 09160-06109 / 45-55 дней Washer 2 162 р.
10 41562-31GB0 / 45-55 дней Spacer, lh 2 1 153 р.
10 41561-31G01 / 45-55 дней Spacer, lh 2 1 153 р.
Список узлов