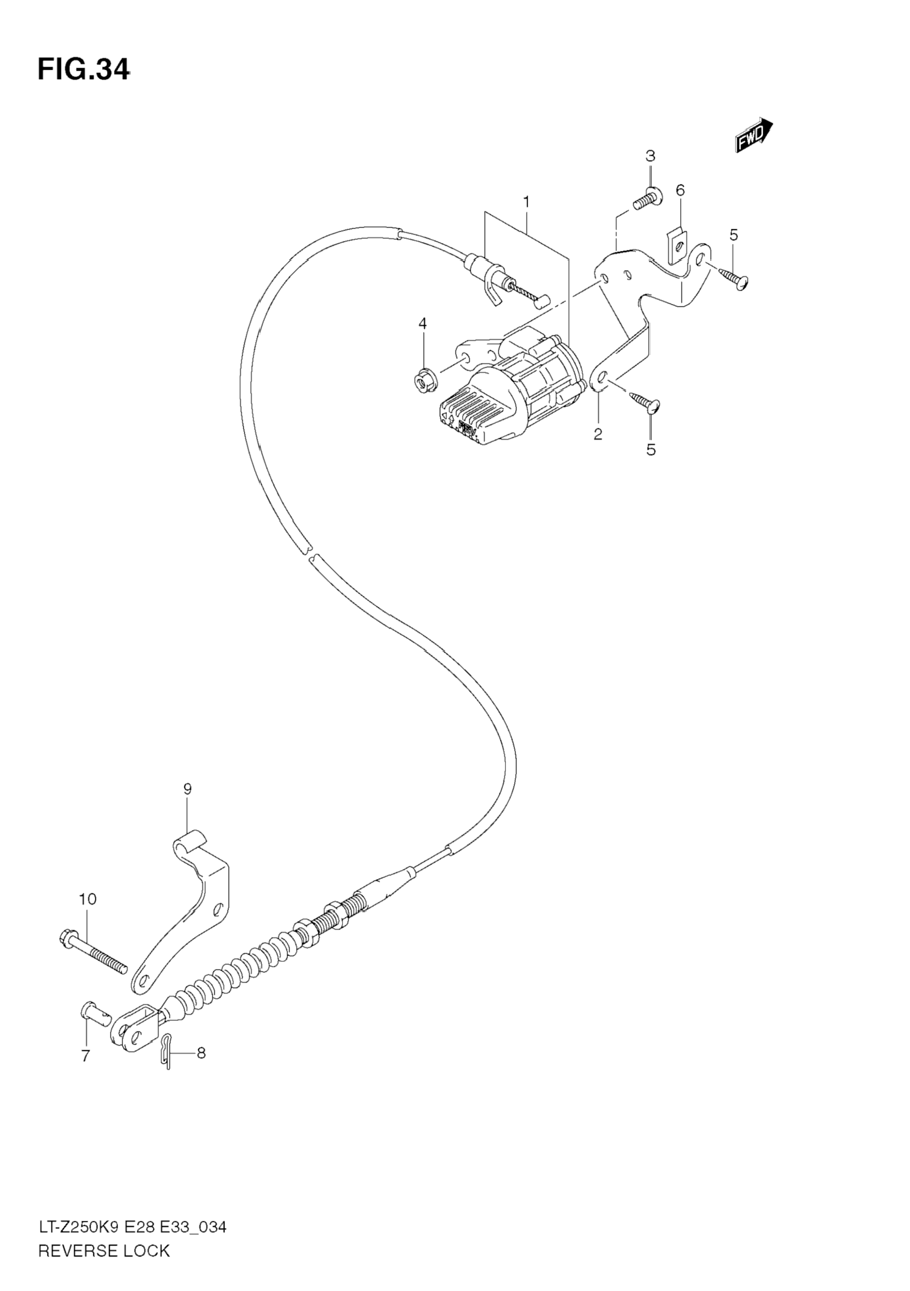
REVERSE LOCK для Suzuki QuadSport (LT-Z250) 2009 г.

Доставка из США до Москвы 90 руб. за 100 грамм
Доставка
  • Доставка из США, ОАЭ или из Германии в Москву
  • Доставка со складов в Москве
Скидка 5% от суммы заказа более 30 000 руб.
Оплата
  • Наличный способ оплаты
  • Банковской картой Visa, Mastercard
Номер запчасти,
наличие, срок поставки
Наименование Кол-во Цена
1 57900-21820 / 45-55 дней Knob set, reverse lock 1 9 187 р.
2 57941-21G00 / 45-55 дней Bracket 1 1 302 р.
3 02142-0520B / 45-55 дней Screw, knob 2 199 р.
4 08316-1005B / 45-55 дней Nut 2 285 р.
5 03541-0520B / 45-55 дней Screw, fender 2 256 р.
6 09148-05038 / 45-55 дней Nut, bracket 1 222 р.
7 09200-06004 / 45-55 дней Pin 1 215 р.
8 09385-06012 / 45-55 дней Clip 1 215 р.
9 58871-05G00 / 45-55 дней Guide, reverse cable 1 1 450 р.
10 01547-0612B / 45-55 дней Bolt 2 162 р.
Список узлов