Рамка для Suzuki QuadSport (LT-Z90) 2009 г.

(FRAME)
Доставка из США до Москвы 90 руб. за 100 грамм
Доставка
  • Доставка из США, ОАЭ или из Германии в Москву
  • Доставка со складов в Москве
Скидка 5% от суммы заказа более 30 000 руб.
Оплата
  • Наличный способ оплаты
  • Банковской картой Visa, Mastercard
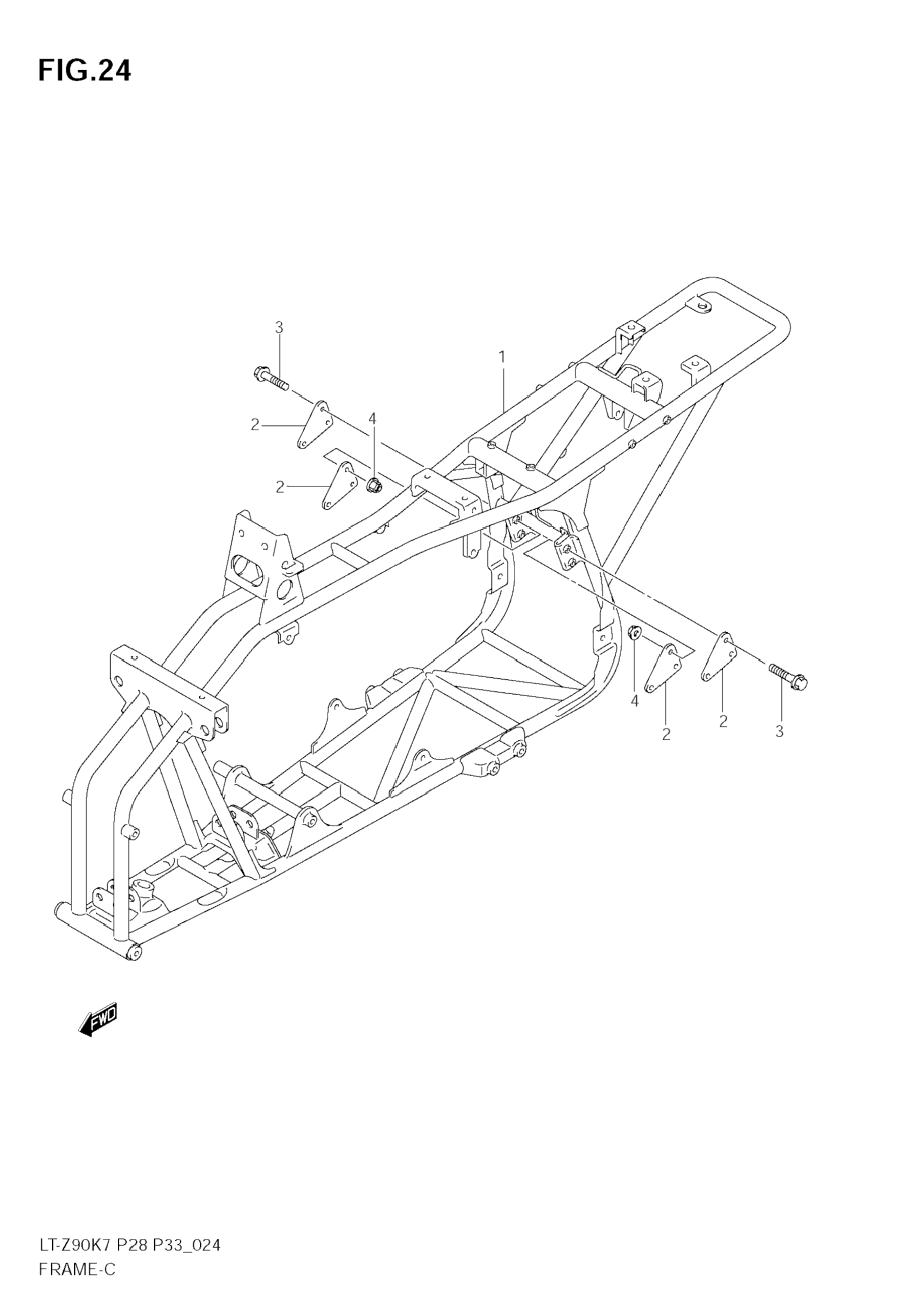
Номер запчасти,
наличие, срок поставки
Наименование Кол-во Цена
1 41100-08H00-019 / 45-55 дней Frame (black) 1 139 832 р.
2 41911-08H00 Plate, rear 4 Узнать цены
3 09103-08436 Bolt 4 Узнать цены
4 09159-08067 / 45-55 дней Nut 4 640 р.
Список узлов