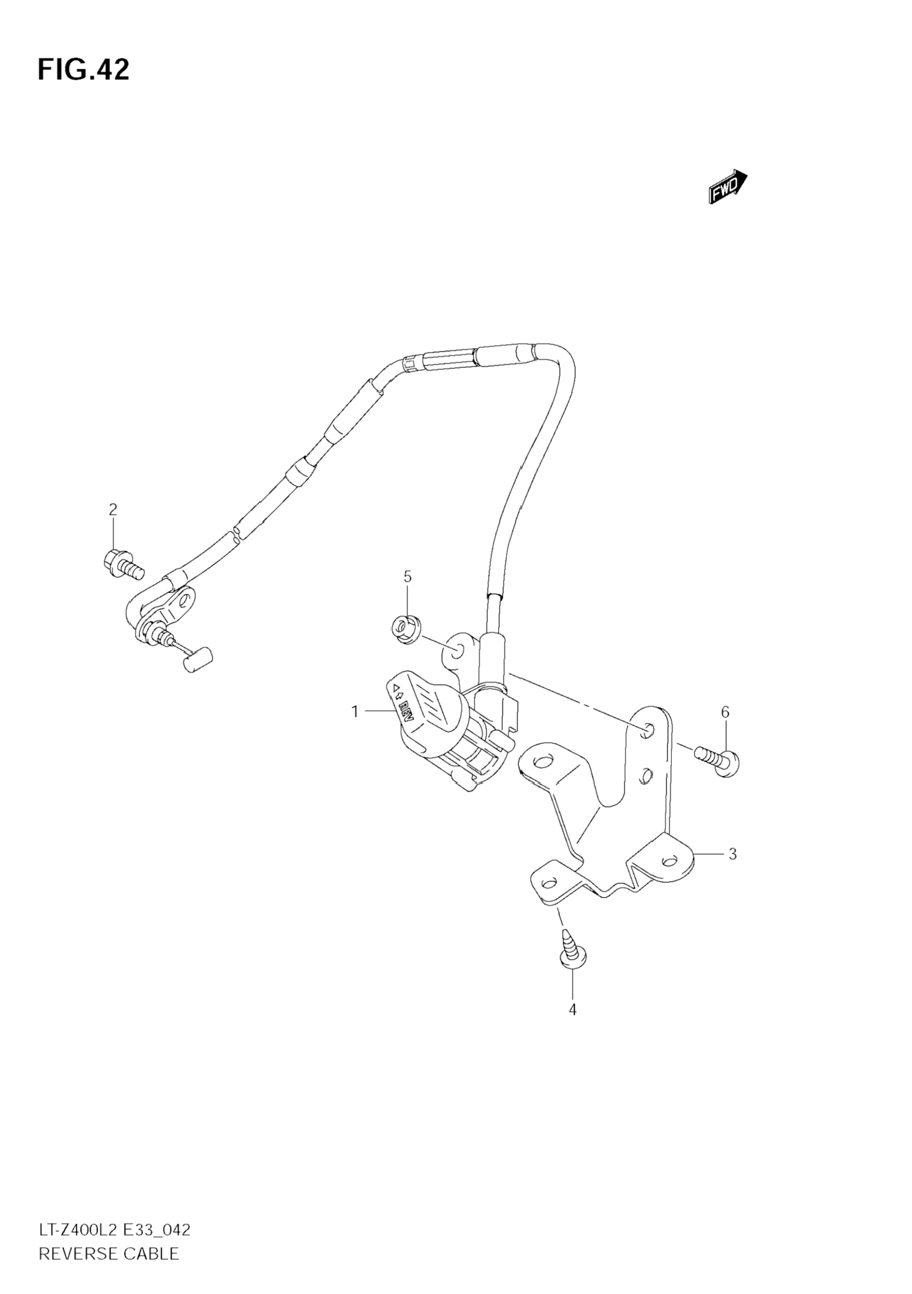
REVERSE CABLE для Suzuki LT-Z400 2012 г.

Доставка из США до Москвы 90 руб. за 100 грамм
Доставка
  • Доставка из США, ОАЭ или из Германии в Москву
  • Доставка со складов в Москве
Скидка 5% от суммы заказа более 30 000 руб.
Оплата
  • Наличный способ оплаты
  • Банковской картой Visa, Mastercard
Номер запчасти,
наличие, срок поставки
Наименование Кол-во Цена
1 57900-33810 / 45-55 дней Cable set, reverse 1 15 521 р.
2 02162-0510B / 45-55 дней Bolt 1 300 р.
3 57941-33H00 / 45-55 дней Plate, reverse knob 1 2 051 р.
4 02142-0520B / 45-55 дней Screw 2 245 р.
5 08316-1005B / 45-55 дней Nut 2 342 р.
6 03541-0512A / 45-55 дней Screw 2 186 р.
Список узлов