Топливный насос для Suzuki KingQuad (LT-F400F) 2012 г.

(FUEL PUMP)
Доставка из США до Москвы 90 руб. за 100 грамм
Доставка
  • Доставка из США, ОАЭ или из Германии в Москву
  • Доставка со складов в Москве
Скидка 5% от суммы заказа более 30 000 руб.
Оплата
  • Наличный способ оплаты
  • Банковской картой Visa, Mastercard
Номер запчасти,
наличие, срок поставки
Наименование Кол-во Цена
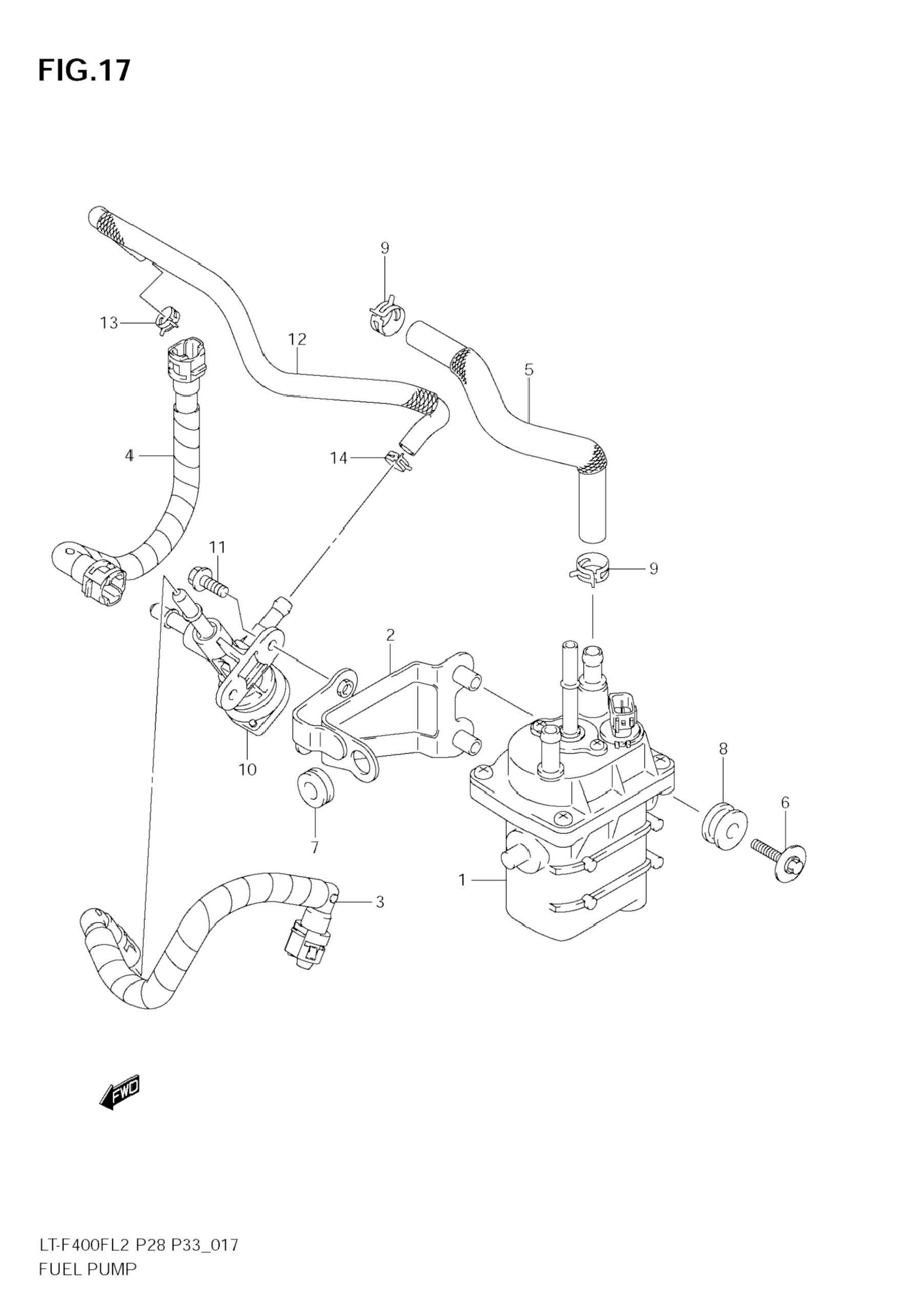
1 15100-33H01 / 45-55 дней Pump assy, fuel 1 58 591 р.
2 15310-27H00 / 45-55 дней Bracket, fuel pump 1 4 552 р.
3 15810-27H01 / 45-55 дней Hose, fuel no.1 1 6 796 р.
4 15820-27H01 / 45-55 дней Hose, fuel no.2 1 6 927 р.
5 15831-27H01 / 45-55 дней Hose, fuel no.3 1 4 385 р.
5 15831-27H00 / 45-55 дней Hose, fuel no.3 1 4 385 р.
6 09116-06186 / 45-55 дней Bolt (6x25) 2 342 р.
7 09320-08021 / 45-55 дней Cushion 1 232 р.
8 09320-10503 / 45-55 дней Cushion 2 324 р.
9 09401-12410 / 45-55 дней Clip 2 314 р.
10 44300-45G20 / 45-55 дней Regulator assy, fuel 1 32 878 р.
11 01547-0616A / 45-55 дней Bolt 2 277 р.
12 15841-27H00 / 45-55 дней Hose, fuel return 1 5 302 р.
13 09401-11419 / 45-55 дней Clip 1 364 р.
14 09401-13414 / 45-55 дней Clip 1 358 р.
Список узлов