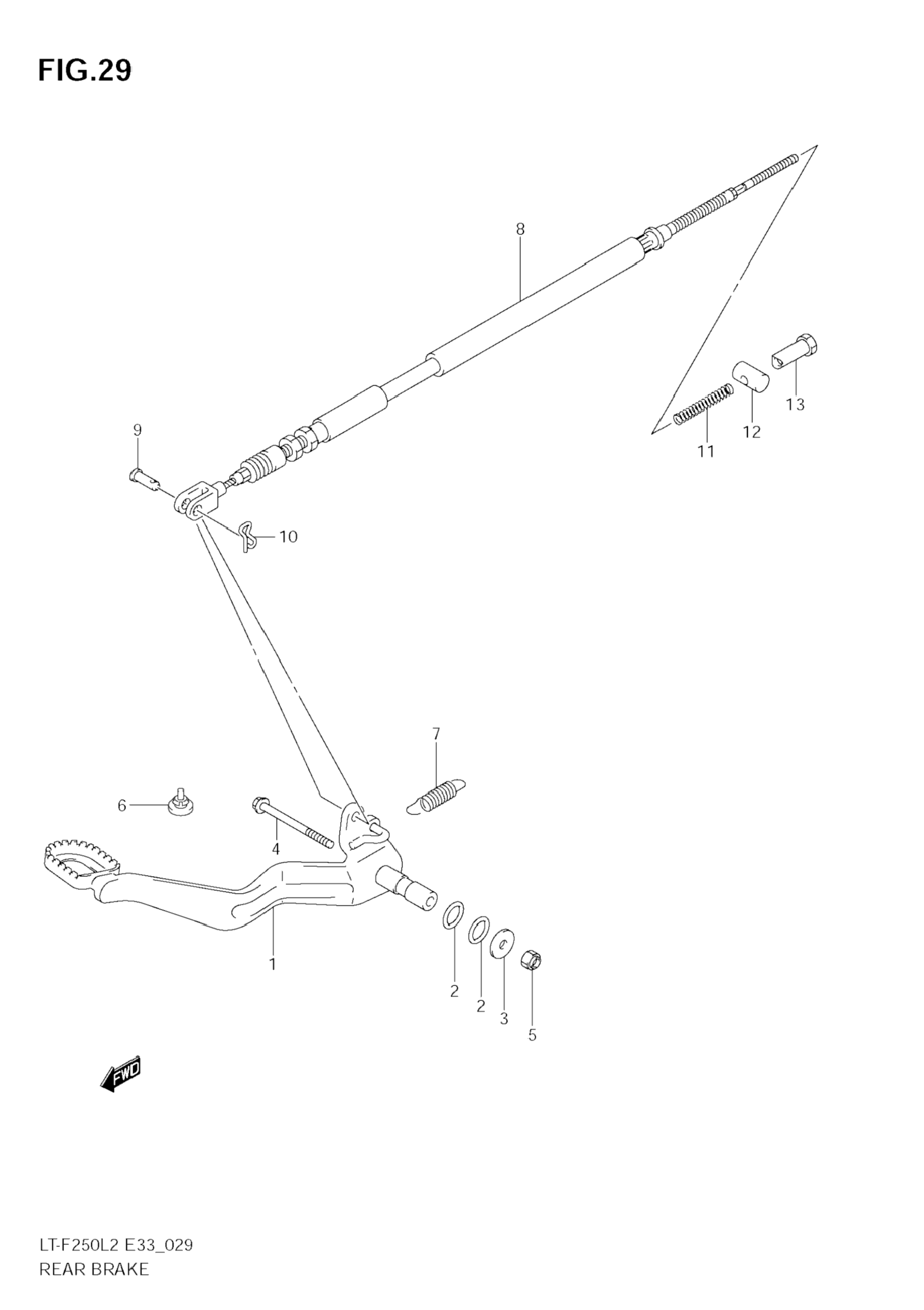
Задний тормоз для Suzuki Ozark (LT-F250) 2012 г.

(REAR BRAKE)
Доставка из США до Москвы 90 руб. за 100 грамм
Доставка
  • Доставка из США, ОАЭ или из Германии в Москву
  • Доставка со складов в Москве
Скидка 5% от суммы заказа более 30 000 руб.
Оплата
  • Наличный способ оплаты
  • Банковской картой Visa, Mastercard
Номер запчасти,
наличие, срок поставки
Наименование Кол-во Цена
1 43110-05G20 Pedal, brake 1 Узнать цены
2 09280-14011 / 45-55 дней O ring (d:2.5,id:13.8) 2 661 р.
3 09160-06138 / 45-55 дней Washer (6.5x22x2.3) 1 262 р.
4 01547-0665A / 45-55 дней Bolt 1 318 р.
5 08319-2106A / 45-55 дней Nut 1 262 р.
6 09321-08022 / 45-55 дней Cushion 1 266 р.
7 09443-11030 / 45-55 дней Spring 1 512 р.
8 58510-05G00 / 45-55 дней Cable, rear brake 1 8 466 р.
9 09200-05001 / 45-55 дней Pin 1 198 р.
10 09385-06012 / 45-55 дней Clip 1 262 р.
11 09440-08042 / 45-55 дней Spring 1 408 р.
12 09209-13006 / 45-55 дней Pin 1 726 р.
13 09150-06015 / 45-55 дней Nut 1 494 р.
Список узлов