Стартер для Suzuki TL1000R 2003 г.

(STARTING MOTOR)
Доставка из США до Москвы 90 руб. за 100 грамм
Доставка
  • Доставка из США, ОАЭ или из Германии в Москву
  • Доставка со складов в Москве
Скидка 5% от суммы заказа более 30 000 руб.
Оплата
  • Наличный способ оплаты
  • Банковской картой Visa, Mastercard
Номер запчасти,
наличие, срок поставки
Наименование Кол-во Цена
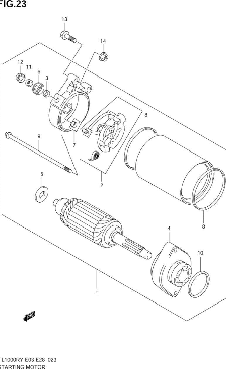
1 31100-02F10 / 45-55 дней Motor assy, starting 1 71 286 р.
2 31132-45C00 / 45-55 дней .holder set, brush 1 7 256 р.
3 31143-38300 / 45-55 дней .o ring 1 517 р.
4 31150-44B00 .bracket set 1 Узнать цены
5 31170-43400 / 45-55 дней .shim set 1 539 р.
6 31172-38300 / 45-55 дней .bushing 1 666 р.
7 31173-88C00 / 45-55 дней .bushing 1 1 105 р.
8 31264-44110 / 45-55 дней .o ring 2 1 205 р.
9 31281-31D00 / 45-55 дней .bolt 2 880 р.
10 09280-35005 / 45-55 дней .o ring (d:2.1,id:34.7) 1 1 042 р.
11 08310-00067 / 45-55 дней .nut 1 207 р.
12 08361-3506A / 45-55 дней .nut 1 202 р.
13 01547-06257 / 45-55 дней Bolt 2 230 р.
14 08361-3506A / 45-55 дней Nut 1 202 р.
Список узлов