THROTTLE BODY для Suzuki GSX1300RAZ 2014 г.

Доставка из США до Москвы 90 руб. за 100 грамм
Доставка
  • Доставка из США, ОАЭ или из Германии в Москву
  • Доставка со складов в Москве
Скидка 5% от суммы заказа более 30 000 руб.
Оплата
  • Наличный способ оплаты
  • Банковской картой Visa, Mastercard
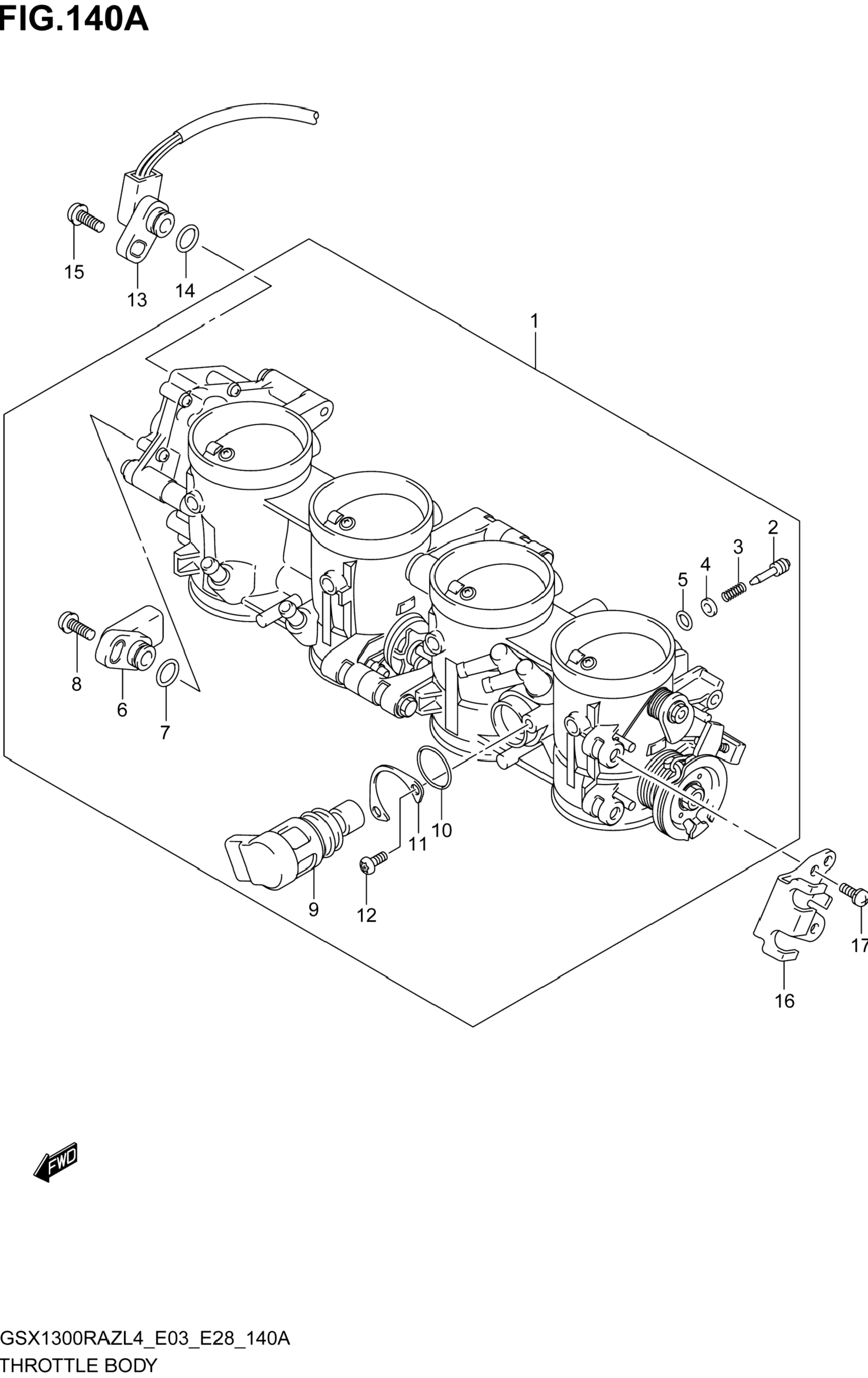
Номер запчасти,
наличие, срок поставки
Наименование Кол-во Цена
1 13406-15H20 / 45-55 дней Throttle body 1 256 290 р.
2 13269-18G00 / 45-55 дней .screw, air adjust 4 1 202 р.
3 13271-43E00 .spring, air screw 1 Узнать цены
4 13291-26E00 / 45-55 дней .washer 4 350 р.
5 13295-26E00 / 45-55 дней .o ring 4 517 р.
6 13580-18G00 / 45-55 дней .sensor assy, throttle main 1 24 618 р.
7 13575-40F00 / 45-55 дней .o ring 1 488 р.
8 13605-40F00 / 45-55 дней .screw 1 442 р.
9 18117-15H12 / 45-55 дней .valve assy, isc 1 36 889 р.
10 18119-05H00 / 45-55 дней .o ring 1 400 р.
11 13428-15H00 / 45-55 дней .plate, isc valve 1 3 353 р.
12 13605-15H00 / 45-55 дней .screw 2 723 р.
13 13580-40F31 / 45-55 дней Sensor assy, throttle sub 1 25 363 р.
14 13575-40F00 / 45-55 дней O ring 1 488 р.
15 13605-40F00 / 45-55 дней Screw 1 442 р.
16 13565-15H00 / 45-55 дней Plate, stay 1 4 918 р.
17 13601-21H00 Screw 2 Узнать цены
Список узлов